题目内容

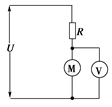
(10分)有一起重机用的是直流电动机,如图所示,其内阻r=0.8Ω,线路电阻R=10Ω,电源电压U=150V,伏特表的示数为110V,求:

(1)通过电动机的电流.

(2)输入到电动机的功率P

(3)电动机的发热功率Pr,电动机输出的机械功率.

 

【答案】

(1) 4A(2) 440W(3) 427.2W

【解析】

试题分析:(1)I=A=4A              (3分)

(2)P=U′I=110×4W=440W             (2分)

(3)Pr=I2r=42×0.8W=12.8W              (3分)

P=P-Pr=(440-12.8)W=427.2W    (2分)

考点:考查电功率和闭合电路中功率的分配

点评:对电学中的公式要熟记并加以理解,特别是闭合电路的功率分配,求解本题时要注意电动机为非纯电阻电路,欧姆定律不再适用

 

练习册系列答案
相关题目

违法和不良信息举报电话:027-86699610 举报邮箱:58377363@163.com

精英家教网