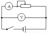
题目内容

用伏安法测一节干电池的电动势E和内电阻r,所给的器材有:
A:电压表V:0-3-15V;    B:电流表A:0-0.6-3A;
C:变阻器R1(总电阻20Ω);  以及电键S和导线若干.
(1)在方框里画出实验电路图.
(2)电压表V应选用的量程为______;电流表A应选用的量程为______.
(3)如图所示的U-I图上是由实验 测得的7组数据标出的点,请你画出U-I图线,并由图线求出E=______V,r=______Ω.

【答案】分析:(1)根据闭合电路欧姆定律E=U+Ir,用电压表测量路端电压U,电流表测量电流I,变阻器可改变电压和电流,多次测量,即可测出电源的电动势和内阻.
(2)根据一节干电池的电动势E约为1.5V,即可选择电压表量程.一节干电池的内电阻r约几欧姆,可估算电路中最大电流,即可选择电流表的量程.
(3)先观察这些点的分布情况,再连线.图上这些大约在一条直线,用直线将它们连起来,连接时,直线通过的点要尽可能地多,不在直线上的点关于直线两侧分布要均匀.根据纵轴截距和斜率得到E和r.
解答:解:(1)根据闭合电路欧姆定律E=U+Ir,用电压表测量路端电压U,电流表测量电流I,变阻器可改变电压和电流,多次测量,电路图如图所示.
(2)一节干电池的电动势E约为1.5V,则电压表V量程选0-3V;一节干电池的内电阻r几欧姆,电路中最大电流约为零点几安培,则电流表A量程选 0-0.6A.
(3)连接U-I图线如图,根据闭合电路欧姆定律E=U+Ir得 U=E-Ir,由数学知识可知,图线纵轴的截距U=E,斜率的大小等于r,则由图看出,E=1.49V,r==Ω=0.47Ω.
故答案为:
(1)电路图如图所示.
(2)0-3V,0-0.6A.
(3)U-I图线如图,1.49,0.47.
点评:本题连接时要先观察再连线,要用平滑曲线将点拟合起来,如图象是直线,连直线时有两个原则:一、直线通过的点要尽可能地多,二、不在直线上的点关于直线两侧分布要均匀.
练习册系列答案
相关题目
(1)如图所示,图甲、图乙是物理史上两个著名实验的示意图,通过这两个实验人们对光的本性有了比较全面的认识:
精英家教网
①图甲是英国物理学家托马斯?杨做的
 
实验的示意图,该实验是光的
 
说的有力证据.
②图乙是
 
实验的示意图,该实验是光的
 
说的有力证据.
(2)如图是一个较复杂电路,所有电阻均为R,a、b、c、d、e、f、g、h、i为电路的测试点.现用电压传感器检测电路在电键闭合后有哪些点与c点电势相等.(将电压传感器的两个接线柱分别和两个探针相连接,当正接线柱的电势高于负接线柱时,读数为正).
①若在图中连接电压传感器正接线柱的探针接触a点,连接负接线柱的探针接触b点时,读数为负,则可以判断a点接在电源的
 
极上(选填“正”或“负”).
②对于该实验的认识与判断,下列说法正确的是
 

A.电压传感器为零时表明所测两点电势相等
B.检测电势相同点只能用电压传感器,不能用电压表
C.在检测过程中两个探针可以交换
D.从实验原理来说,如用电流传感器代替电压传感器亦可以完成检测
(3)用伏安法测一节干电池的电动势E和内电阻r,所给的器材有:电压表V、电流表A、变阻器R以及电键S和导线若干.
①在方框中画出实验电路图.
②如图所示的U-I图上是由实验测得的7组数据标出的点,请你完成图线,并由图线求出E=
 
V,r=
 
Ω.
精英家教网
③若选用两组数据,用欧姆定律算出E、r,则选用第
 
和第
 
组数据误差最大.

违法和不良信息举报电话:027-86699610 举报邮箱:58377363@163.com

精英家教网