题目内容
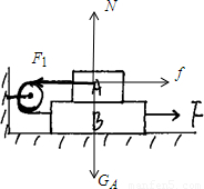
如图所示,A、B两物叠放在水平地面上,mA=2kg,mB=5kg,细绳绕过定滑轮水平连接A、B两物体,A与B之间,B与地之间动摩擦因数分别为0.4和0.6,设最大静摩擦力等于滑动摩擦力,g=10m/s2,当用力F水平向右拉B匀速运动时,求:(1)F多大?
(2)细绳拉B的力多大?(不计定滑轮的摩擦)
【答案】分析:用力F水平向右拉B匀速运动时,A、B两物体分别处于平衡状态,分别对物体A,B进行受力分析,利用平衡条件分别列式分析.
解答:解:对物体A受力分析如图:

由平衡条件得:
F1=f
f=μN=μ1mAg
代入数据得:
f=8N,
即:绳上的拉力为8N
对物体B受力分析如图:

由平衡条件得:
N=GA+GB;所以:f地=μN=0.6*70=42N
水平方向:F=f地+fA+F1=8+8+42=58N
答:(1)F大小为58N
(2)细绳拉B的力为8N
点评:受力平衡类的问题在处理时关键在受力分析,一定不要在分析过程中添力漏力,正确的受力分析后应用平衡条件列式即可.
解答:解:对物体A受力分析如图:
由平衡条件得:
F1=f
f=μN=μ1mAg
代入数据得:
f=8N,
即:绳上的拉力为8N
对物体B受力分析如图:
由平衡条件得:
N=GA+GB;所以:f地=μN=0.6*70=42N
水平方向:F=f地+fA+F1=8+8+42=58N
答:(1)F大小为58N
(2)细绳拉B的力为8N
点评:受力平衡类的问题在处理时关键在受力分析,一定不要在分析过程中添力漏力,正确的受力分析后应用平衡条件列式即可.
练习册系列答案
相关题目
| A、角速度ωA=ωB | B、线速度vA=vB | C、向心加速度aA>aB | D、向心力FA>FB |
| A、方向向左,大小不变 | B、方向向左,逐渐减小 | C、方向向右,大小不变 | D、方向向右,逐渐减小 |