题目内容

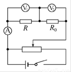
(10分)现有两个电阻R和R0,R为标准电阻,R0的阻值随温度变化.一探究小组用图甲电路(虚线框内还有一个滑动变阻器),经多次测量、描点,画出了两电阻的伏安特性曲线如图乙所示,其中两电阻电流从零开始变化.已知电源电动势为6 V,内阻很小.

(1)选出最适合本实验的滑动变阻器__________

A.5 Ω   0.6 A       B.20 Ω   0.6 A       C.100 Ω  0.6 A

(2)在图中虚线框内补充完整电路图.

(3)实验中,当电流表的示数为0.1 A时,电阻R0消耗的电功率为_______W;由图线知,R0的阻值随温度升高怎样变化?________________________________________________________________.

 

【答案】

(1)B    (3分)     (2)滑动变阻器用分压接法,如图.  

 (3分)

(3)0.2   (2分)     温度升高,电阻减小  (2分)

【解析】

试题分析:(1)选滑动变阻器的原则是:安全、准确、便于操作,由图象知,电压是从零开始调节,滑动变阻器一定是分压式接法,这时在允许的范围内,滑动变阻器尽可能选阻值小的,便于调节,而从图象中,每个电阻最高加到3V,即路端电压最大为6V,若选5滑动变阻器,就会超过它的额定电流,A不行,选C又会调节起来不方便,因此选B;

(2)滑动变阻器采用分压或接法,电路答案所示

(3)由图象可知,当电压表示数为0.1 A时,电阻R0两端的电压为2V,因此消耗的功率P=0.2W;在I—U图象中,随电压的升高,电流增加的越来越快,从而说明电阻越来越小。

考点:欧姆定律;电功率

 

练习册系列答案
相关题目

违法和不良信息举报电话:027-86699610 举报邮箱:58377363@163.com

精英家教网