ÌâÄ¿ÄÚÈÝ

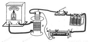
ÔÚÑо¿µç´Å¸ÐÓ¦ÏÖÏóµÄʵÑéÖÐËùÓÃµÄÆ÷²ÄÈçͼËùʾ¡£ËüÃÇÊÇ£º¢ÙµçÁ÷¼Æ¡¢¢ÚÖ±Á÷µçÔ´¡¢¢Û´øÌúоµÄÏßȦA¡¢¢ÜÏßȦB¡¢¢Ýµç¼ü¡¢¢Þ»¬¶¯±ä×èÆ÷£¨ÓÃÀ´¿ØÖƵçÁ÷ÒԸıä´Å³¡Ç¿Èõ£©¡£

£¨1£© ÊÔ°´ÊµÑéµÄÒªÇóÔÚʵÎïͼÉÏÁ¬Ïߣ¨Í¼ÖÐÒÑÁ¬ºÃÒ»¸ùµ¼Ïߣ©¡£

£¨2£© ÈôÁ¬½Ó»¬¶¯±ä×èÆ÷µÄÁ½¸ùµ¼Ïß½ÓÔÚ½ÓÏßÖùCºÍDÉÏ£¬¶øÔÚµç¼ü¸Õ±ÕºÏʱµçÁ÷±íÖ¸ÕëÓÒÆ«£¬Ôòµç¼ü±ÕºÏºó»¬¶¯±ä×èÆ÷µÄ»¬¶¯´¥Í·Ïò½ÓÏßÖùCÒÆ¶¯Ê±£¬µçÁ÷¼ÆÖ¸Õ뽫__________£¨Ìî¡°×óÆ«¡±¡¢¡°ÓÒÆ«¡±¡¢¡°²»Æ«¡±£©¡£zxxk

 

¡¾´ð°¸¡¿

£¨1£©ÊµÎïͼÉÏÁ¬ÏßÈçͼËùʾ£»£¨2£©×óÆ«¡£

¡¾½âÎö¡¿

ÊÔÌâ½âÎö£º£¨1£©ÓÉÓÚͼÖÐÒѾ­½«Ò»¸ùµ¼ÏßÁ¬½ÓÔÚÁ˵ç·ÖУ¬ËµÃ÷ÏßȦA½ÓµçÔ´¡¢¿ª¹ØºÍ±ä×èÆ÷£¬ÏßȦB½ÓµçÁ÷±í£¬ÊµÎïµç·ÈçÉÏͼËùʾ¡£

£¨2£©ÓÉÓÚÔÚµç¼ü¸Õ±ÕºÏʱµçÁ÷±íÖ¸ÕëÓÒÆ«£¬ËµÃ÷ÏßȦAÖеĴų¡ÔÚÔö´ó£¬¹ÊÏßȦB²úÉúµÄ´Å³¡ÓëA²úÉúµÄ´Å³¡»áÏà·´£»¶øµ±µç¼ü±ÕºÏºó»¬¶¯±ä×èÆ÷µÄ»¬¶¯´¥Í·Ïò½ÓÏßÖùCÒÆ¶¯Ê±£¬µç×è±ä´ó£¬µçÁ÷±äС£¬AµÄ´Å³¡±äС£¬¹ÊÏßȦB»á²úÉúÓëAÏàͬ·½ÏòµÄ´Å³¡ÒÔ×è°­ÕâÖÖ¼õС£¬¹Ê´ËʱBÖвúÉúµÄ¸ÐÓ¦µçÁ÷ÓëÔ­À´Ïà·´£¬¹ÊµçÁ÷±íÖ¸ÕëµÄƫת·½ÏòÒ²Ïà·´£¬µçÁ÷±íÖ¸ÕëÏò×óÆ«¡£

¿¼µã£ºÑо¿µç´Å¸ÐÓ¦ÏÖÏóµÄʵÑé¡£

 

Á·Ï°²áϵÁдð°¸
Ïà¹ØÌâÄ¿
ÔÚ¡°Ñо¿µç´Å¸ÐÓ¦ÏÖÏó¡±µÄʵÑéÖУº
£¨1£©±¸ÓÐÆ÷²Ä£ºA£®Áã¿Ì¶ÈÔÚÖÐÑëµÄÁéÃôµçÁ÷¼Æ£»B£®´øÈíÌú°ôµÄÔ­¡¢¸±ÏßȦ£»C£®Ðîµç³Ø£»D£®»¬¶¯±ä×èÆ÷£»E£®µç¼ü£ºF£®·Ï¸Éµç³Ø£ºG£º×èÖµ¼¸Ê®Ç§Å·µÄÏÞÁ÷µç×裻H£®µ¼ÏßÈô¸É£®ÊµÑéʱ£¬Îª²éÃ÷µçÁ÷±íÖ¸ÕëÆ«ÏòºÍͨÈëµçÁ÷·½ÏòµÄ¹ØÏµ£¬Ó¦Ñ¡ÓÃÉÏÊö±¸ÓÐÆ÷²ÄÖеÄ
ACEGH
ACEGH
 ×é³Éµç·£¨ÌîÆ÷²ÄǰµÄ×Öĸ£©£¬²¢ÔÚÏÂÃæµÄ·½¿òÖл­³öµç·ͼ£®
£¨2£©£¨3·Ö£©ÈôÑ¡Óò¿·ÖÆ÷²Ä×é³ÉÈçÏÂͼ£¨a£©ËùʾʵÎïÁ¬½Óͼ£¬ºÏÉϵç¼üSʱ·¢ÏÖµçÁ÷±íÖ¸ÕëÏòÓÒÆ«£¬Ìîдϱí¿Õ¸ñ£º
ʵÑé²Ù×÷ Ö¸ÕëÆ«Ïò
»¬Æ¬PÓÒÒÆÊ±
ÔÚÔ­ÏßȦÖвåÈëÈíÌú°ôʱ
°Î³öÔ­ÏßȦʱ
£¨3£©£¨5·Ö£©Èçͼ£¨b£©Ëùʾ£¬A¡¢BΪԭ¡¢¸±ÏßȦµÄ¸©ÊÓͼ£¬ÒÑÖª¸±ÏßȦÖвúÉú˳ʱÕë·½ÏòµÄ¸ÐÓ¦µçÁ÷£¬¸ù¾Ýͼ£¨a£©¿ÉÅÐÖª¿ÉÄܵÄÇé¿öÊÇ£º
BC
BC

A£®Ô­ÏßȦÖеçÁ÷Ϊ˳ʱÕë·½Ïò£¬±ä×èÆ÷»¬¶¯Æ¬PÔÚÓÒÒÆ£»
B£®Ô­ÏßȦÖеçÁ÷Ϊ˳ʱÕë·½Ïò£¬Õý´Ó¸±ÏßȦÖаγöÌúо£»
C£®Ô­ÏßȦÖеçÁ÷ÎªÄæÊ±Õë·½Ïò£¬Õý°ÑÌúо²åÈëÔ­ÏßȦÖУ»
D£®Ô­ÏßȦÖеçÁ÷ÎªÄæÊ±Õë·½Ïò£¬µç¼üSÕý¶Ï¿ªÊ±£®

Î¥·¨ºÍ²»Á¼ÐÅÏ¢¾Ù±¨µç»°£º027-86699610 ¾Ù±¨ÓÊÏ䣺58377363@163.com

¾«Ó¢¼Ò½ÌÍø