ÌâÄ¿ÄÚÈÝ

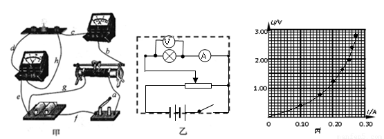
ÔÚ¡°Ãè»æ¶î¶¨µçѹΪ2.5VµÄСµÆÅݵķü°²ÌØÐÔÇúÏß¡±ÊµÑéÖУ¬Óõ¼Ïßa¡¢b¡¢c¡¢d¡¢e¡¢f¡¢g¡¢h°´Í¼£¨¼×£©Ëùʾ·½Ê½Á¬½Óµç·£¬µç·ÖÐËùÓÐÔªÆ÷¼þ¶¼ÍêºÃ.

¢ÙÇë¸ù¾ÝʵÑéÁ¬½Óµç·ͼÔÚͼ£¨ÒÒ£©ÖÐÐéÏß¿òÄÚ»­³öʵÑéÔ­Àíͼ£»

¢ÚºÏÉÏ¿ª¹Øºó£¬Èô·´¸´µ÷½Ú»¬¶¯±ä×èÆ÷£¬Ð¡µÆÅÝÁÁ¶È·¢Éú±ä»¯£¬µ«µçѹ±í¡¢µçÁ÷±íµÄʾÊý²»Äܵ÷ΪÁ㣬Ôò¶Ï·µÄµ¼ÏßΪ_____¡£

¢ÛʵÑéµç·¹ÊÕÏÍêÈ«Åųýºó£¬ÊµÑéÖвâµÃÓйØÊý¾ÝÈçÏÂ±í£º

¸ù¾Ý±íÖеÄʵÑéÊý¾Ý£¬ÔÚͼ £¨±û£©Öл­³öСµÆÅݵÄI-UÌØÐÔÇúÏß¡£

¢ÜÈô°Ñ¸ÃСµÆÅÝÖ±½Ó½Óµ½µç¶¯ÊÆÎª2.5V£¬ÄÚ×èΪ2.0¦¸µÄµçÔ´ÉÏ£¬Ð¡µÆ¹âʵ¼ÊÏûºÄµÄ¹¦ÂÊΪ        W(±£ÁôÈýλÓÐЧÊý×Ö£©

 

 

¡¾´ð°¸¡¿

¢ÙÇë¸ù¾ÝʵÑéÁ¬½Óµç·ͼÔÚͼ£¨ÒÒ£©ÖÐÐéÏß¿òÄÚ»­³öʵÑéÔ­Àíͼ£»£¨3·Ö£©¢Ú  g  £¨2·Ö£©

¢Û¸ù¾Ý±íÖеÄʵÑéÊý¾Ý£¬ÔÚͼ£¨±û£©Öл­³öСµÆÅݵÄI-UÌØÐÔÇúÏߣ»£¨3·Ö£©¢Ü 0.50 W£¨3·Ö£©

¡¾½âÎö¡¿

ÊÔÌâ·ÖÎö£º¢Ù¸ù¾ÝʵÑéÁ¬½Óµç·ͼ·ÖÎöΪ·ÖѹʽºÍÍâ½Ó·¨£¬Ô­ÀíͼÈçÉÏͼ£»¢ÚÓÉÌâÒâÖªµçÁ÷±íºÍµçѹ±íʼÖÕÓÐʾÊýµ«²»Äܵ÷Á㣬¹ÊÖ»ÓÐgµ¼Ïß¶Ï·£»¢Û¸ù¾Ý±íÖеÄʵÑéÊý¾ÝÓÃÆ½»¬µÄÇúÏßÁ¬½Ó³ÉͼÏߣ»¢ÜÓɱպϵç·ŷķ¶¨ÂÉ£¬Öª£¬µ±Â·¶ËµçѹΪU=2.00Vʱ£¬I=0.25A£¬ÔÚ±ûͼÖл­³öµçÔ´µÄU-IͼÏߣ¬ÓëСµÆÅݵÄI-UÌØÐÔÇúÏߵĽ»µã£¬¾ÍÊÇÁ÷¾­Ð¡µÆÅݵĵçÁ÷ºÍµçѹ£¬Æä½»µãµÄ×ø±êΪU=2.00£¬I =0.25£¬¹ÊСµÆÅݵŦÂÊP=UI=0.50 W¡£±¾ÌâµÄ¹Ø¼üµãÊÇСµÆÅÝÖ±½Ó½Óµ½µç¶¯ÊÆÎª2.5V£¬ÄÚ×èΪ2.0¦¸µÄµçÔ´ÉÏʱµÄµçѹºÍµçÁ÷£¬²»ÄÜÓñպϵç·ŷķ¶¨ÂÉÇó½â£¬ÐèÒª»­³öµçÔ´µÄ·ü°²ÌØÐÔÇúÏߣ¬ÈçÉÏͼËùʾ£¬¸ù¾Ý½»µã×ø±êÇó½âСµÆÅݵÄʵ¼Ê¹¦ÂÊ¡£

¿¼µã£º¡°Ãè»æÐ¡µÆÅݵķü°²ÌØÐÔÇúÏß¡±ÊµÑé ·Öѹʽ Íâ½Ó·¨ ʵ¼Ê¹¦ÂÊ

 

Á·Ï°²áϵÁдð°¸
Ïà¹ØÌâÄ¿
£¨1£©Á½Í¬Ñ§ÓÃÈçͼ1Ëùʾ·½·¨×ö¹²µãÁ¦Æ½ºâʵÑ飮M¡¢NΪĦ²Á²»¼ÆµÄ¶¨»¬ÂÖ£¬OµãÊÇÇáÖÊϸÉþOA¡¢OBºÍOCµÄ½áµã£¬×ÀÉÏÓÐÈô¸ÉÏàͬµÄ¹³Â룬ijͬѧÒѾ­ÔÚAµãºÍCµã·Ö±ð¹ÒÁË3¸öºÍ4¸ö¹³Â룬ΪʹOµãÔÚÁ½»¬ÂÖ¼äijλÖÃÊÜÁ¦Æ½ºâ£¬ÁíһͬѧÔÚBµã¹ÒµÄ¹³ÂëÊýÓ¦ÊÇ
BC
BC

A£®1¸ö         B£®3¸ö          C£®5¸ö          D£® 7¸ö

£¨2£©Ä³Í¬Ñ§¶ÔÒ»ÎïÌ峤¶È½øÐвâÁ¿£¬ÕýÈ·¼Ç¼µÄÊý¾ÝΪ1.68cm£¬¸Ãͬѧ¿ÉÄÜʹÓõIJâÁ¿¹¤¾ßÊÇ
AB
AB
£¨Ì¾ßǰµÄ·ûºÅ£©
A£®×îС¿Ì¶ÈΪ1mmµÄ¿Ì¶È³ß  B£®Óα꿨³ß¼×£¨10·Ö¶È£© C£®Óα꿨³ßÒÒ£¨20·Ö¶È£© D£®ÂÝÐý²â΢Æ÷
£¨3£©ÔÚ¡°Ãè»æ¶î¶¨µçѹΪ2.5VµÄСµÆÅݵķü°²ÌØÐÔÇúÏß¡±ÊµÑéÖУ¬Óõ¼Ïßa¡¢b¡¢c¡¢d¡¢e¡¢f¡¢g¡¢h°´Í¼2Ëùʾ·½Ê½Á¬½Óµç·£¬µç·ÖÐËùÓÐÔªÆ÷¼þ¶¼ÍêºÃ£®
¢ÙÇë¸ù¾ÝʵÑéÁ¬½Óµç·ͼÔÚͼ3ÖÐÐéÏß¿òÄÚ»­³öʵÑéÔ­Àíͼ£»
¢ÚºÏÉÏ¿ª¹Øºó£¬Èô·´¸´µ÷½Ú»¬¶¯±ä×èÆ÷£¬Ð¡µÆÅÝÁÁ¶È·¢Éú±ä»¯£¬µ«µçѹ±í¡¢µçÁ÷±íµÄʾÊý²»Äܵ÷ΪÁ㣬Ôò¶Ï·µÄµ¼ÏßΪ
g
g
£®
¢ÛʵÑéµç·¹ÊÕÏÍêÈ«Åųýºó£¬ÊµÑéÖвâµÃÓйØÊý¾ÝÈçÏÂ±í£º
U/V 0.40 0.80 1.20 1.60 2.00 2.40 2.80
I/A 0.10 0.16 0.20 0.23 0.25 0.26 0.27
¸ù¾Ý±íÖеÄʵÑéÊý¾Ý£¬ÔÚͼ 4Öл­³öСµÆÅݵÄI-UÌØÐÔÇúÏߣ®
¢ÜÈô°Ñ¸ÃСµÆÅÝÖ±½Ó½Óµ½µç¶¯ÊÆÎª2.5V£¬ÄÚ×èΪ2.0¦¸µÄµçÔ´ÉÏ£¬Ð¡µÆ¹âʵ¼ÊÏûºÄµÄ¹¦ÂÊΪ
0.500
0.500
W£¨±£ÁôÈýλÓÐЧÊý×Ö£©

ijͬѧ¶ÔÒ»ÎïÌ峤¶È½øÐвâÁ¿£¬ÕýÈ·¼Ç¼µÄÊý¾ÝΪ1.68cm£¬¸Ãͬѧ¿ÉÄÜʹÓõIJâÁ¿¹¤¾ßÊÇ

¡¡¡¡ ¡ø¡¡ (Ì¾ßǰµÄ·ûºÅ)

A£®×îС¿Ì¶ÈΪ1mmµÄ¿Ì¶È³ß¡¡¡¡¡¡¡¡¡¡¡¡¡¡¡¡¡¡¡¡¡¡¡¡¡¡¡¡¡¡¡¡¡¡¡¡¡¡¡¡ B£®Óα꿨³ß¼×£¨10·Ö¶È£©

C£®Óα꿨³ßÒÒ£¨20·Ö¶È£©¡¡¡¡¡¡¡¡¡¡¡¡¡¡¡¡¡¡¡¡¡¡¡¡¡¡¡¡¡¡¡¡¡¡¡¡¡¡¡¡¡¡¡¡ D£®ÂÝÐý²â΢Æ÷

(3)ÔÚ¡°Ãè»æ¶î¶¨µçѹΪ2.5VµÄСµÆÅݵķü°²ÌØÐÔÇúÏß¡±ÊµÑéÖУ¬Óõ¼Ïßa¡¢b¡¢c¡¢d¡¢e¡¢f¡¢g¡¢h°´Í¼£¨¼×£©Ëùʾ·½Ê½Á¬½Óµç·£¬µç·ÖÐËùÓÐÔªÆ÷¼þ¶¼ÍêºÃ.

¢ÙÇë¸ù¾ÝʵÑéÁ¬½Óµç·ͼÔÚͼ£¨ÒÒ£©ÖÐÐéÏß¿òÄÚ»­³öʵÑéÔ­Àíͼ£»

¢ÚºÏÉÏ¿ª¹Øºó£¬Èô·´¸´µ÷½Ú»¬¶¯±ä×èÆ÷£¬Ð¡µÆÅÝÁÁ¶È·¢Éú±ä»¯£¬µ«µçѹ±í¡¢µçÁ÷±íµÄʾÊý²»Äܵ÷ΪÁ㣬Ôò¶Ï·µÄµ¼ÏßΪ___¡ø__.

¢ÛʵÑéµç·¹ÊÕÏÍêÈ«Åųýºó£¬ÊµÑéÖвâµÃÓйØÊý¾ÝÈçÏÂ±í£º

¸ù¾Ý±íÖеÄʵÑéÊý¾Ý£¬ÔÚͼ £¨±û£©Öл­³öСµÆÅݵÄI-UÌØÐÔÇúÏß¡£

¢ÜÈô°Ñ¸ÃСµÆÅÝÖ±½Ó½Óµ½µç¶¯ÊÆÎª2.5V£¬ÄÚ×èΪ2.0¦¸µÄµçÔ´ÉÏ£¬Ð¡µÆ¹âʵ¼ÊÏûºÄµÄ¹¦ÂÊΪ¡¡ ¡ø¡¡ W(±£ÁôÈýλÓÐЧÊý×Ö£©

Î¥·¨ºÍ²»Á¼ÐÅÏ¢¾Ù±¨µç»°£º027-86699610 ¾Ù±¨ÓÊÏ䣺58377363@163.com

¾«Ó¢¼Ò½ÌÍø