题目内容
面积很大的水池,水深为H,水面上浮着一正方体木块,木块边长为a,密度为水的1/2,质量为m.开始时,木块静止,有一半没入水中,如图所示,现用力F将木块缓慢地压到池底,不计摩擦.求:
(1)从木块刚好完全没入水中到停在池底的过程中,池水势能的改变量;
(2)从开始到木块刚好完全没入水的过程中,力F所做的功.
答案:略
解析:
解析:
|
(1)水的重力势能增加量为 (2)力F做的功为 如图,由于水池面积很大,当木块停在池底时,水面高度变化可忽略不计.
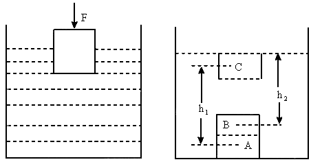
(1)当木块从初位置到末位置,水的重力势能的增加量可这样等效计算:把木块在池底占据的空间分为相等的A、B两个部分,相当于A部分水填补了C区域,重心升高了 木块最初下部在水中占据体积
则A、B两部分体积对应水的重力为mg,所以水增加的重力势能为
(2)木块刚好完全没入水时,所受浮力为
|
练习册系列答案
相关题目