题目内容

小灯泡灯丝的电阻会随温度的升高而变大。某同学为研究这一现象,用实验得到如下数据(I和U分别表示小灯泡上的电流和电压):

I(A)

0.12

0.21

0.29

0.34

0.38

0.42

0.45

0.47

0.49

0.50

U(A)

0.20

0.40

0.60

0.80

1.00

1.20

1.40

1.60

1.80

2.00

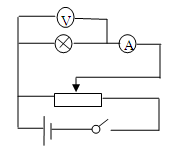
(1)在方框图中画出实验电路原理图。可用的器材有:电压表、电流表、滑动变阻器(0—10Ω)、电源、小灯泡、电键、导线若干。

(2)在图中描出小灯泡的U—I曲线。

(3)调节滑动变阻器,使得小灯泡两端电压为1.40V时,求此时小灯泡的实际功率P=        W。

 

【答案】

(1)见解析(2)见解析(3)0.63W

【解析】(1)如图(滑动变阻器分压式及电流表外接式)

             

 

(2)如图,要有描点和练成平滑曲线     

 

 (3)p=UI=1.400.45=0.63W

 

练习册系列答案
相关题目
精英家教网(1)某同学完成《测定玻璃的折射率》实验后,根据课本思考题的耍求,又继续对半圆柱形玻璃砖折射率进行测定.如图所示为实验过程中画出的过圆心0的入射光P1P2的光路图,P3是该入射光经玻璃砖折射后所经过的一点.现该同学身边仅有的测量工具为学生用三角板.
①请在图中作出入射光玻璃砖折射后的折射光线;
②根据提供的器材,用你测量出来的量表示半圆柱形玻璃砖折射率的表达式n=
 
. (要求所用物理量与你在图上标的符号相一致)
(2)小灯泡灯丝的电阻会随温度的升高而变化.为研究这一现象,某同学用K列器材通过实验绘出了小灯泡的伏安特性曲线如下图所示.
除了电源E、小灯泡L (额定电压为2V)、导线和开关外,还有以下一些器材可供选择:
电流表:A1(量程100mA,内阻约2Ω)      A2(量程0.6A,内阻约0.3Ω)
电压表:V1(量程3V,内阻约5KΩ)         V2(量程15V,内阻约15KΩ)
滑动变阻器:R1(最大阻值10Ω)R2(最大阻值2KΩ)
①为了调节方便,测量准确,实验中应选用电流表
 
,电压表
 
滑动变阻器
 
.(填器材的符号)
②在下框中出该同学采用的实验电路图.
精英家教网
③通过实验,该同学发现小灯泡灯丝的电阻会随温度的升高而
 
(选填:“增大”、“减小”、“不变”),小灯泡正常工作时的电阻是常温下电阻的
 
倍.

违法和不良信息举报电话:027-86699610 举报邮箱:58377363@163.com

精英家教网