题目内容
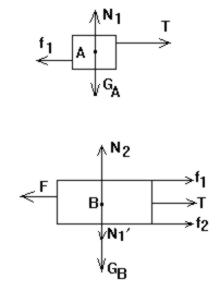
物块A重力为4N, 物块B重力为8N, A与B之间, B与地面之间动摩擦因数均为0.25, A、B通过定滑轮相连, 物块B匀速向左滑动时, 所需水平拉力F=______N.
答案:5
解析:
解析:
|
解: 如图, A受四力作用: 重力GA、支持力N1、拉力T、摩擦力f1. 其中: T=f1=μN1=μGA= 0.25×4N = 1N B受七个力作用: 重力GB、压力N'1 (N'1=N1)、支持力N2、拉力T、摩擦力f1、f2, 水平作用力F. 其中: F =f1+T+f2 =2f1+f2=2μN1+μN2 =μ(2GA+GA+GB) =0.25×20N=5N
|
练习册系列答案
相关题目
| A、若F=1N,则物块、木板都静止不动 | B、若F=1.5N,则AB物块所受摩擦力大小都为1N | C、若F=4N,则B物块所受摩擦力大小为4N | D、若F=8N,则B物块的加速度为1.0m/s2 |