题目内容

测金属电阻率实验:

(1)测长度时,金属丝的起点、终点位置如图(a),则长度为:__________cm;

(2)用螺旋测微器测金属丝直径,示数如图(b),则直径为:____________mm;

(3)用多用表“Ω×1”挡估测其电阻,示数如图(c),则阻值为:__________Ω;

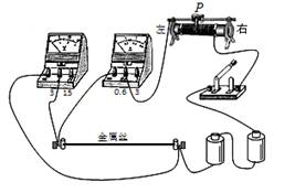
(4)在图d中完成实物连线(滑动变阻器要求接限流式);

(5)闭合开关前应将滑动变阻器的滑片P移至最________(填“左”或“右”) 端。

 

【答案】

(1)60.48cm——60.51cm 

(2)1.979-1.981        

(3)5(有估读的不扣分)

(4)连图如图所示(只要有一处错就不得分) (5)左

 

【解析】

试题分析:(1)电阻丝长度:70.48cm-10.00cm=60.48cm

(2)螺旋测微器读数固定刻度:1.5mm,可动刻度格数:48.0,所以可动刻度读数:48.0×0.01=0.480mm,所以读数为:1.980mm.

(3)欧姆档指针靠近谁就读谁:倍率: 5,档位“Ω×1”挡,所以读数为:5×1Ω=5Ω

(4)连图如答案图

(5)闭合开关前应将滑动变阻器的滑片P移至阻值最大处,由连接图可知应该移到最左端

考点:测金属电阻率实验

点评:解决本题的关键掌握游标卡尺和螺旋测微器的读数方法,游标卡尺读数的方法是主尺读数加上游标读数,不需估读;螺旋测微器的读数方法是固定刻度读数加上可动刻度读数,在读可动刻度读数时需估读.本题考查机械电表的读数,估读不估读一定要明确,原理要懂,从最近的趋势来看电表的读数现在考查的越来越少,我们身边的电表慢慢向数字式发展.

 

练习册系列答案
相关题目
(1)某学校学生在开展“测金属电阻率”研究性学习活动中,对有关金属(灯泡中的钨丝)、半导体(二极管)、合金(标准电阻)及超导材料的电阻率查阅了大量资料,提出了下列一些说法,你认为正确的有(  )
A.金属温度计是利用金属材料的电阻率随温度升高而不发生显著变化制成的
B.标准电阻是利用合金材料的电阻率几乎不随温度变化而变化制成的
C.半导体材料的电阻率随温度升高而增大
D.当温度为绝对零度时,某种材料电阻率突然为零,这种现象叫超导现象
(2)①在“测金属电阻率”实验中,螺旋测微器测金属丝的直径的读数如图,则直径d=
0.900
0.900
mm.
②测得接入电路的金属丝的长度为l,已知其电阻大约为25Ω.
在用伏安法准确测其电阻时,有下列器材供选择,除必选电源(电动势1.5V,内阻很小)、导线、开关外,电流表应选
A1
A1
,电压表应选
V2
V2
,滑动变阻器应选
R1
R1
.(填代号)并将设计好的测量电路原理图画在虚框内.
A1电流表(量程40 mA,内阻约0.5Ω)
A2电流表(量程10 mA,内阻约0.6Ω)
V1电压表(量程6V,内阻约30 kΩ)
V2电压表(量程1.2V,内阻约20 kΩ)
R1滑动变阻器(范围0~10Ω)
R2滑动变阻器(范围0~2kΩ)
③若电压表、电流表读数用U、I表示,用上述测得的物理量计算金属丝的电阻率的表示式为ρ=
πUd2
4Il
πUd2
4Il
(1)某研究性学习小组用如图1所示装置验证机械能守恒定律.图中悬点O正下方P点处有水平放置的炽热电热丝,当悬线摆至电热丝处时能瞬间被烧断,小球由于惯性向前飞出做平抛运动.在水平地面上放上白纸,上面覆盖着复写纸,当小球落在复写纸上时,会在下面白纸上留下痕迹.用重垂线确定出A、B点在白纸上的投影点N、M.用米尺量出AN的高度H、BM的高度h,算出A、B两点的竖直距离,再量出M、C之间的距离x,即可验证机械能守恒定律.已知重力加速度为g,小球的质量为m.

①用题中所给的物理量表示出小球从A到B过程中,重力势能的减少量△EP=
mg(H-h)
mg(H-h)
,动能的增加量△Ek=
mgx2
4h
mgx2
4h

②要想验证小球从A到B的过程中机械能守恒,只需验证关系式
H-h=
x2
4h
H-h=
x2
4h
成立即可.
(2)①在“测金属电阻率”实验中,用螺旋测微器测得金属丝的直径的读数如图2所示,则直径d=
0.900
0.900
mm.
②测得接入电路的金属丝的长度为L,已知其电阻大约为25Ω.
在用伏安法测其电阻时,有下列器材供选择,除必选电源(电动势1.5V,内阻很小)、导线、开关外,电流表应选
Al
Al
,电压表应选
V2
V2
,滑动变阻器应选
R1
R1
.(填代号)并将设计好的测量电路原理图画在虚框内(图3).
电流表 A1(量程40mA,内阻约0.5Ω)
电流表A2(量程10mA,内阻约0.6Ω)
电压表V1 (量程6V,内阻约30kΩ)
电压表V2(量程1.2V,内阻约的20kΩ)
滑动变阻器R1(范围0-10Ω)
滑动变阻器R2(范围0-2kΩ)

违法和不良信息举报电话:027-86699610 举报邮箱:58377363@163.com

精英家教网