ÌâÄ¿ÄÚÈÝ
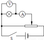
ÓÐÒ»¸öСµÆÅÝÉϱêÓС°4V£¬2W¡±µÄ×ÖÑù£¬ÏÖÔÚÒªÓ÷ü°²·¨²âÁ¿Õâ¸öСµÆÅݵķü°²ÌØÐÔÇúÏߣ®Æ÷²ÄÈçͼ£®µçѹ±íV £¨0-5V£¬ÄÚ×èÔ¼10k¦¸£©
µçÁ÷±íA£¨0-0.6A£¬ÄÚ×èÔ¼0.4¦¸£©
»¬¶¯±ä×èÆ÷R £¨0-10¦¸£¬2A£©
ѧÉúµçÔ´£¨Ö±Á÷6V£©¡¢¿ª¹Ø¼°µ¼Ïß
£¨1£©ÎªÊ¹ÊµÑéÎó²î¾¡Á¿¼õС£¬ÒªÇó´ÓÁ㿪ʼ¶àÈ¡¼¸×éÊý¾Ý£»ÇëÔÚÏÂÃæµÄ·½¿òÖл³öʵÑéµç·ͼ£®
£¨2£©Ä³Í¬Ñ§Í¨¹ýʵÑéµÃµ½µÄÊý¾Ý»³öÁ˸õÆÅݵķü°²ÌØÐÔÇúÏߣ¬ÈçͼËùʾ£¬ÈôÓÃµç¶¯ÊÆÎª4.0V¡¢ÄÚ×èΪ8¦¸µÄµçÔ´Ö±½Ó¸ø¸ÃСµÆÅݹ©µç£¬Ôò¸ÃСµÆÅݵÄʵ¼Ê¹¦ÂÊÊÇ______W£®£¨±£Áô2λÓÐЧÊý×Ö£©
£¨3£©PΪÉÏͼÖÐͼÏßÉϵÄÒ»µã£¬PNΪͼÏßÉÏPµãµÄÇÐÏß¡¢PQΪUÖáµÄ´¹Ïߣ¬PMΪIÖáµÄ´¹Ïߣ¬ÏÂÁÐ˵·¨ÖÐÕýÈ·µÄÊÇ______
A£®Ëæ×ÅËù¼ÓµçѹµÄÔö´ó£¬Ð¡µÆÅݵĵç×èÔö´ó
B£®Ëæ×ÅËù¼ÓµçѹµÄÔö´ó£¬Ð¡µÆÅݵĵç×è¼õС
C£®¶ÔÓ¦Pµã£¬Ð¡µÆÅݵĵç×èԼΪ5.33¦¸
D£®¶ÔÓ¦Pµã£¬Ð¡µÆÅݵĵç×èԼΪ24.0¦¸
¡¾´ð°¸¡¿·ÖÎö£º£¨1£©¸ù¾Ý»¬¶¯±ä×èÆ÷·Öѹ¼°ÏÞÁ÷½Ó·¨µÄ²»Í¬×÷Ó㬽áºÏÌâÒâÑ¡Ôñ»¬¶¯±ä×èÆ÷µÄ½Ó·¨£»ÓɵçÁ÷±í¡¢µçѹ±íÓëµÆÅÝÄÚ×è¼äµÄ´óС¹ØÏµÈ·¶¨µçÁ÷±íµÄ½Ó·¨£®
£¨2£©»³öµçÔ´µÄU-IÇúÏߣ¬ÓëСµÆÅÝ·ü°²ÇúÏߵĽ»µã¶ÔÓ¦µÄµçѹºÍµçÁ÷¼´Îª´ËʱСµÆÅݵÄʵ¼ÊµçѹÓëµçÁ÷£¬¸ù¾ÝP=UI¼´¿ÉÇóµÃʵ¼Ê¹¦ÂÊ£»
£¨3£©¸ù¾Ýµç×èµÄ¶¨ÒåR=
£¬µç×èµÈÓÚͼÏßÉϵĵãÓëÔµãÁ¬ÏßµÄбÂʵĵ¹Êý£¬Ð±ÂÊÖð½¥¼õС£¬µç×èÖð½¥Ôö´ó£®¶ÔÓ¦Pµã£¬µÆÅݵĵç×èµÈÓÚ¹ýPµãµÄÇÐÏßбÂʵĵ¹Êý£®
½â´ð£º½â£º£¨1£©µÆÅÝÄÚ×èR=
=8¦¸£¬µçѹ±íÔ¶´óÓÚµÆÅÝÄÚ×裬Ӧ²ÉÓõçÁ÷±íÍâ½Ó·¨£»
¶øÓÉÌâÒâÒªÇó¿ÉÖª£¬µçѹ´ÓÁ㿪ʼ±ä»¯£¬²¢Òª¶à²â¼¸×éÊý¾Ý£¬¹ÊÖ»ÄܲÉÓû¬¶¯±ä×èÆ÷·Öѹ½Ó·¨£¬¶ø·Öѹ½Ó·¨ÖÐӦѡ×Ü×èֵСµÄ»¬¶¯±ä×èÆ÷£¬
µç·ͼÈçͼËùʾ£º

£¨2£©¸ù¾Ý±ÕºÏµç·ŷķ¶¨ÂɵãºU=E-Ir£¬ÔòÓÐU=4-8I£¬»³öU-IͼÏóÈçͼËùʾ£»

½»µã¶ÔÓ¦µÄµçѹÓëµçÁ÷¼´ÎªÐ¡µÆÅÝ´ËʱµÄʵ¼ÊµçѹÓëµçÁ÷£¬ËùÒÔСµÆÅÝÁ½¶ËµçѹΪ1.2V£¬µçÁ÷I=O.35A£¬
ËùÒÔʵ¼Ê¹¦ÂÊΪP=UI=1.2×0.35W=0.42W
£¨4£©A¡¢B¡¢Í¼ÏßµÄбÂÊÖð½¥¼õС£¬ËµÃ÷µç×èÖð½¥Ôö´ó£®¹ÊAÕýÈ·£¬B´íÎó£»
C¡¢D¡¢¶ÔÓ¦Pµã£¬Ð¡µÆÅݵĵç×èΪR=
=
¦¸=5.33¦¸£¬¹ÊCÕýÈ·£¬D´íÎó£»
¹ÊÑ¡AC£»
¹Ê´ð°¸Îª£º£¨1£©ÈçͼËùʾ£»£¨2£©0.42 W£»£¨3£©AC£®
µãÆÀ£º±¾Ì⿼²éʵÑéÖеÄÒDZíµÄ½Ó·¨ÒÔ¼°ÈçºÎµç×è·ü°²ÌØÐÔÇúÏߺ͵çÔ´µÄ·ü°²ÌØÐÔÇúÏßµÄÁªÏµÓëÇø±ð£»Ó¦×¢Ò⻬¶¯±ä×èÆ÷·Öѹ¼°ÏÞÁ÷½Ó·¨µÄÇø±ð¼°Ó¦Óã¬Í¬Ê±»¹Ó¦Ã÷È·ÄÚÍâ½Ó·¨µÄ²»Í¬¼°Åжϣ®
£¨2£©»³öµçÔ´µÄU-IÇúÏߣ¬ÓëСµÆÅÝ·ü°²ÇúÏߵĽ»µã¶ÔÓ¦µÄµçѹºÍµçÁ÷¼´Îª´ËʱСµÆÅݵÄʵ¼ÊµçѹÓëµçÁ÷£¬¸ù¾ÝP=UI¼´¿ÉÇóµÃʵ¼Ê¹¦ÂÊ£»
£¨3£©¸ù¾Ýµç×èµÄ¶¨ÒåR=
½â´ð£º½â£º£¨1£©µÆÅÝÄÚ×èR=
¶øÓÉÌâÒâÒªÇó¿ÉÖª£¬µçѹ´ÓÁ㿪ʼ±ä»¯£¬²¢Òª¶à²â¼¸×éÊý¾Ý£¬¹ÊÖ»ÄܲÉÓû¬¶¯±ä×èÆ÷·Öѹ½Ó·¨£¬¶ø·Öѹ½Ó·¨ÖÐӦѡ×Ü×èֵСµÄ»¬¶¯±ä×èÆ÷£¬
µç·ͼÈçͼËùʾ£º
£¨2£©¸ù¾Ý±ÕºÏµç·ŷķ¶¨ÂɵãºU=E-Ir£¬ÔòÓÐU=4-8I£¬»³öU-IͼÏóÈçͼËùʾ£»
½»µã¶ÔÓ¦µÄµçѹÓëµçÁ÷¼´ÎªÐ¡µÆÅÝ´ËʱµÄʵ¼ÊµçѹÓëµçÁ÷£¬ËùÒÔСµÆÅÝÁ½¶ËµçѹΪ1.2V£¬µçÁ÷I=O.35A£¬
ËùÒÔʵ¼Ê¹¦ÂÊΪP=UI=1.2×0.35W=0.42W
£¨4£©A¡¢B¡¢Í¼ÏßµÄбÂÊÖð½¥¼õС£¬ËµÃ÷µç×èÖð½¥Ôö´ó£®¹ÊAÕýÈ·£¬B´íÎó£»
C¡¢D¡¢¶ÔÓ¦Pµã£¬Ð¡µÆÅݵĵç×èΪR=
¹ÊÑ¡AC£»
¹Ê´ð°¸Îª£º£¨1£©ÈçͼËùʾ£»£¨2£©0.42 W£»£¨3£©AC£®
µãÆÀ£º±¾Ì⿼²éʵÑéÖеÄÒDZíµÄ½Ó·¨ÒÔ¼°ÈçºÎµç×è·ü°²ÌØÐÔÇúÏߺ͵çÔ´µÄ·ü°²ÌØÐÔÇúÏßµÄÁªÏµÓëÇø±ð£»Ó¦×¢Ò⻬¶¯±ä×èÆ÷·Öѹ¼°ÏÞÁ÷½Ó·¨µÄÇø±ð¼°Ó¦Óã¬Í¬Ê±»¹Ó¦Ã÷È·ÄÚÍâ½Ó·¨µÄ²»Í¬¼°Åжϣ®
Á·Ï°²áϵÁдð°¸
Ïà¹ØÌâÄ¿