题目内容
二极管是一种半导体元件,电路符号为“①某实验兴趣小组对某种晶体二极管的伏安特性曲线进行测绘.因二极管外壳所印的标识模糊,为判断正负极,用多用电表电阻挡测二极管的正反向电阻.将选择开关旋至合适倍率,调整欧姆零点后,将黑表笔接触二极管的左端、红表笔接触右端时,指针偏角比较小;再将红、黑表笔位置对调时,指针偏角比较大,由此判断______端为二极管的正极.(选填“左”、“右”)
②厂家提供的伏安特性曲线如右图.该小组只对加正向电压时的伏安特性曲线进行了测绘,以验证与厂家提供的数据是否一致,可选用的器材有:
A.直流电源,电动势3V,内阻忽略不计;
B.0~20Ω的滑动变阻器一只;
C.量程5V、内阻约50kΩ的电压表一只;
D.量程3V、内阻约20kΩ的电压表一只;
E.量程0.6A、内阻约0.5Ω的电流表一只;
F.量程50mA、内阻约5Ω的电流表一只;
G.待测二极管一只;
H.导线、电键等.
为了提高测量结果的准确度,电压表应选用______,电流表应选用______.(填序号字母)
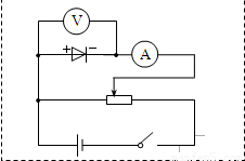
③为了达到测量目的,请在答题卡上虚线框内画出正确的实验电路原理图.
【答案】分析:①多用电表测电阻电流的流向是“红进黑出”,二极管具有单向导电性,当电流从二极管的正极流入,电阻比较小,当从二极管的负极流入,电阻非常大.
②根据电源电压可选出电压表,根据图中得出的电流值电可选出电流表;
③由题目要求及给出的图象可得出滑动变阻器的接法;由电阻关系可得出电流表的接法.
解答:解:①二极管具有单向导电性;而欧姆表中指针偏转较大说明电阻较小,即为正向电流;而欧姆表内部的电源正极接在黑表笔上,故黑表笔接在二极管的正极处电流较大,故由题意可知,二极管右侧为正;
②由题意可知,采用的电源电压为3V,故为了安全和准确,电压表应选取D,3V的量程;由图可知,最大电流约为30mA,故电流表应选F;故选D,F;
③由题意可知,本实验要求作出伏安特性曲线,故要求多测数据,故应采用分压接法;同时,因二极管电阻较小,故应采用电流表外接法;
故答案如图所示;
故答案为:①右;②D,F;③如下图.

点评:本题要求能由小灯泡的伏安特性曲线得出本题的解法; 同时注意本题中要明确欧姆表及二极管的性质.
②根据电源电压可选出电压表,根据图中得出的电流值电可选出电流表;
③由题目要求及给出的图象可得出滑动变阻器的接法;由电阻关系可得出电流表的接法.
解答:解:①二极管具有单向导电性;而欧姆表中指针偏转较大说明电阻较小,即为正向电流;而欧姆表内部的电源正极接在黑表笔上,故黑表笔接在二极管的正极处电流较大,故由题意可知,二极管右侧为正;
②由题意可知,采用的电源电压为3V,故为了安全和准确,电压表应选取D,3V的量程;由图可知,最大电流约为30mA,故电流表应选F;故选D,F;
③由题意可知,本实验要求作出伏安特性曲线,故要求多测数据,故应采用分压接法;同时,因二极管电阻较小,故应采用电流表外接法;
故答案如图所示;
故答案为:①右;②D,F;③如下图.
点评:本题要求能由小灯泡的伏安特性曲线得出本题的解法; 同时注意本题中要明确欧姆表及二极管的性质.
练习册系列答案
相关题目