ÌâÄ¿ÄÚÈÝ
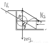
Ôڹ⻬µÄˮƽµØÃæÉÏ£¬ÓëÊúֱǽƽÐзÅÖÃ×ÅÒ»¸ö½ØÃæÎª 1/4Ô²µÄÖù×´ÎïÌ壬ÔÚÖù×´ÎïÌåÓëǽ֮¼ä·ÅÒ»¹â»¬Ô²Çò£¬ÔÚÖù×´ÎïÌåµÄÓÒ²àÊúÖ±ÃæÉÏÊ©¼ÓһˮƽÏò×óµÄÍÆÁ¦F£¬Ê¹Õû¸ö×°Öô¦ÓÚ¾²Ö¹×´Ì¬£¬ÏÖ½«Öù×´ÎïÌåÏò×óÍÆ¹ýÒ»¶Î½ÏСµÄ¾àÀ룬ÈôʹÇòÓëÖù×´ÎïÌåÈÔ±£³Ö¾²Ö¹×´Ì¬£¬ÔòÓëÔÀ´Ïà±È£º
![]()
A£®ÍÆÁ¦F±äС¡£
B£®µØÃæÊܵ½µÄѹÁ¦±äС¡£
C£®Ç½¶ÔÇòµÄµ¯Á¦±ä´ó¡£
D£®Çò¶ÔÖù×´ÎïÌåµÄµ¯Á¦±ä´ó¡£
¡¾´ð°¸¡¿
A
¡¾½âÎö¡¿
ÊÔÌâ·ÖÎö£º¹â»¬ÇòÊÜ×ÔÉíÖØÁ¦
ǽ±Úµ¯Á¦
ºÍÖù×´Ì嵯Á¦
£¬ÊÜÁ¦Èçͼ
![]()
£¬
Ëæ×ÅÖù×´ÎïÌåÏò×óÍÆ¹ýÒ»¶Î½ÏСµÄ¾àÀëʹµÃ
±äС£¬´Ó¶øÊ¹
±äС£¬´ð°¸D´í¡£
±äС£¬´ð°¸C´í¡£°ÑÖù×´ÌåºÍ¹â»¬Çò¿´×öÒ»¸öÕûÌ壬ÔòÊܵ½Ë®Æ½Ïò×óµÄÍÆÁ¦FºÍǽ±Úµ¯Á¦
¶þÁ¦Æ½ºâ£¬
±äСÔòÍÆÁ¦F±äС´ð°¸A¶Ô¡£ÊúÖ±·½ÏòÖù×´ÌåºÍÇòµÄ×ÜÖØÁ¦ÒÔ¼°µØÃæÖ§³ÖÁ¦Æ½ºâ£¬µØÃæÖ§³ÖÁ¦²»±ä´ð°¸B´í
¿¼µã£ºÕûÌå·¨Óë¸ôÀë·¨
Á·Ï°²áϵÁдð°¸
Ïà¹ØÌâÄ¿
| A¡¢Ð¡ÇòÔÚÏ»¬ÖУ¬Á½Õߵ͝Á¿×ÜÊÇ´óСÏàµÈ·½ÏòÏà·´ | ||||||||
B¡¢Á½Õß·Ö¿ªÊ±Ð±ÃæÌåÏò×óÒÆ¶¯µÄ¾àÀëÊÇ
| ||||||||
C¡¢·Ö¿ªÊ±Ð¡ÇòºÍÐ±ÃæÌåµÄËÙ¶È´óС·Ö±ðÊÇ
| ||||||||
D¡¢Ð¡ÇòÔÚÏ»¬ÖÐÐ±ÃæÌ嵯Á¦¶ÔËü×öµÄ¹¦Îª
|