题目内容

有一待测电阻Rx(阻值约5Ω左右),实验室提供的器材有:
A.直流电流表A(0~100mA,内阻为25Ω)
B.直流电压表V(0~3V,内阻为5kΩ)
C.滑动变阻器R1(0~20Ω,1A)
D.滑动变阻器R2(0~1kΩ,0.1A)
E.电源(电动势约为3V,内阻不计)      
F.开关和若干导线
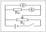
(1)若要求在实验中待测电阻两端的电压从0开始变化,滑动变阻器应选用______(填仪器代号),请在下边方框(图甲)中画出实验电路图;
(2)实验时,某同学使用的是多用电表直流电流档来测电流,示数如图乙所示(丙为指针所在区域部分的放大图),读数为______mA.

【答案】分析:本题的特点是电流表与电压表的内阻均为确定值,原则上不论电流表采用什么接法均可以精确求出待测电阻值,但经过估算可知,使用电流表外接法时由于电压表的读数远小于电流表读数,这样计算得到的结果误差较大,而使用内接法时误差小的多,故应采用内接法.
解答:解:(1)由于要求电压从0变化,故滑动变阻器应用分压式,应选阻值小的变阻器C,由于电流表和电压表内阻即为确定值,可将电表内阻考虑在内,若用电流表内接法,则待测电阻与电流表串联最大电压为U=IA(RX+RA)=3V,与电压表量程相同,此时应有=RX+RA,故应用电流表内接法,电路图如图所示:
(2)电流表的读数为I=36.0×mA=72.0mA 
故答案为(1)C,如图
        (2)72.0
点评:在遇到用伏安法的实验题时,注意电流表和电压表的内阻值是否是确定值,若不确定则可以根据比值的大小来选择内外接法;若内阻值为确定值,则也应通过估算选择误差最小的接法.
练习册系列答案
相关题目
(1)在做“研究平抛物体的运动”实验时,除了木板、小球、斜槽、铅笔、图钉之外,下列器材中还需要的是
CF
CF

A.游标卡尺  B.秒表  C.坐标纸  D.天平  E.弹簧秤  F.重垂线
实验中,下列说法正确的是
AD
AD

A.应使小球每次从斜槽上相同的位置自由滑下
B.斜槽轨道必须光滑
C.斜槽轨道末端可以不水平
D.要使描出的轨迹更好地反映真实运动,记录的点应适当多一些
E.为了比较准确地描出小球运动的轨迹,应该用一条曲线把所有的点连接起来
(2)有一待测电阻Rx,甲、乙两同学分别采用了不同的方法进行测量

①甲同学直接用多用电表测其电阻.用已经调零且选择旋钮指向欧姆挡“×100”位置的多用电表测量,则读数为
2200
2200
Ω.
②乙同学则利用实验室里的下列器材:
电流表G(量程0~300?A,内电阻r=100Ω)
滑动变阻器R1(最大阻值为10Ω,允许的最大电流为1A)
变阻箱R2(阻值范围0-9999Ω,允许的最大电流为0.1A)
直流电源E(电动势约为1.5V,内阻不计)
单刀单掷开关、单刀双掷开关及若干导线
设计了如图2甲所示电路进行测量.请根据电路图,在图2乙中画出连线,将器材连接成实验电路.并将接线后的主要实验步骤填写完整.
A、先闭合开关s1,将开关s2掷向a,再调节滑动变阻器R1,使电流表的示数为300?A;
B、
再将开关s2掷向b,保持滑动变阻器R1不变
再将开关s2掷向b,保持滑动变阻器R1不变
,调节电阻箱R2的阻值,使电流表的示数为150?A,记录电阻箱R2的读数.若电阻箱R2的读数为2180Ω,则电阻Rx=
2080
2080
Ω
(1)在做“研究平抛物体的运动”实验时,除了木板、小球、斜槽、铅笔、图钉之外,下列器材中还需要的是______.
A.游标卡尺  B.秒表  C.坐标纸  D.天平  E.弹簧秤  F.重垂线
实验中,下列说法正确的是______
A.应使小球每次从斜槽上相同的位置自由滑下
B.斜槽轨道必须光滑
C.斜槽轨道末端可以不水平
D.要使描出的轨迹更好地反映真实运动,记录的点应适当多一些
E.为了比较准确地描出小球运动的轨迹,应该用一条曲线把所有的点连接起来
(2)有一待测电阻Rx,甲、乙两同学分别采用了不同的方法进行测量

①甲同学直接用多用电表测其电阻.用已经调零且选择旋钮指向欧姆挡“×100”位置的多用电表测量,则读数为______Ω.
②乙同学则利用实验室里的下列器材:
电流表G(量程0~300µA,内电阻r=100Ω)
滑动变阻器R1(最大阻值为10Ω,允许的最大电流为1A)
变阻箱R2(阻值范围0-9999Ω,允许的最大电流为0.1A)
直流电源E(电动势约为1.5V,内阻不计)
单刀单掷开关、单刀双掷开关及若干导线
设计了如图2甲所示电路进行测量.请根据电路图,在图2乙中画出连线,将器材连接成实验电路.并将接线后的主要实验步骤填写完整.
A、先闭合开关s1,将开关s2掷向a,再调节滑动变阻器R1,使电流表的示数为300µA;
B、______,调节电阻箱R2的阻值,使电流表的示数为150µA,记录电阻箱R2的读数.若电阻箱R2的读数为2180Ω,则电阻Rx=______Ω

违法和不良信息举报电话:027-86699610 举报邮箱:58377363@163.com

精英家教网