题目内容
二极管是一种半导体元件,电路符号为“①某实验兴趣小组对某种晶体二极管的伏安特性曲线进行测绘.因二极管外壳所印的标识模糊,为判断正负极,用多用电表电阻挡测二极管的正反向电阻.将选择开关旋至合适倍率,调整欧姆零点后,将黑表笔接触二极管的左端、红表笔接触右端时,指针偏角比较小;再将红、黑表笔位置对调时,指针偏角比较大,由此判断______端为二极管的正极.(选填“左”、“右”)
②厂家提供的伏安特性曲线如图.该小组只对加正向电压时的伏安特性曲线进行了测绘,以验证与厂家提供的数据是否一致,可选用的器材有:
A.直流电源,电动势3V,内阻忽略不计;
B.0~20Ω的滑动变阻器一只;
C.量程5V、内阻约50kΩ的电压表一只;
D.量程3V、内阻约20kΩ的电压表一只;
E.量程0.6A、内阻约0.5Ω的电流表一只;
F.量程50mA、内阻约5Ω的电流表一只;
G.待测二极管一只;
H.导线、电键等.
为了提高测量结果的准确度,电压表应选用______,电流表应选用______.(填序号字母)
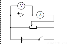
③为了达到测量目的,请在答题卡上虚线框内画出正确的实验电路原理图.
④为了保护二极管,正向电流不要超过25mA,请你对本实验的设计或操作提出一条合理的建议:______
⑤该小组通过实验采集数据后描绘出了二极管的伏安特性曲线,通过对比,与厂家提供的曲线基本吻合.如果将该二极管与一阻值R=50Ω的电阻串联,再接至电动势E=1.5V、内阻不计的电源上,二极管处于正向导通状态.请你写出根据题中给出的伏安曲线求通过二极管电流的步骤:(不要求求出结果)______
【答案】分析:(1)二极管具有单向导电性,当接反向电压时,二极管的电阻很大,由欧姆表的示数可知二极管的极性;
(2)电源已知,根据电源的电动势可以选出电压表,由图中示数可以选出电流表;
(3)为了得到范围较大的测量值,本实验应选择分压接法,为了准确应选用电流表外接法;
(4)要控制电路关键在于控制二极管两端的电压,故可以通过加入保护电阻分压,或在调节时让滑动变阻器分压慢慢变大,进行控制.
(5)由闭合电路欧姆定律列出方程,在二极管伏安图象中作出该方程的直线,该直线与二极管伏安曲线相交,读出交点的纵坐标值即为I
解答:解:①二极管具有单向导电性;而欧姆表中指针偏转较大说明电阻较小,即为正向电流;而欧姆表内部的电源正极接在黑表笔上,故黑表笔接在二极管的正极处电流较大,故由题意可知,二极管右侧为正;
②由题意可知,采用的电源电压为3V,故为了安全和准确,电压表应选取D,3V的量程;由图可知,最大电流约为30mA,故电流表应选F;故选D,F;
③由题意可知,本实验要求作出伏安特性曲线,故要求多测数据,故应采用分压接法;同时,因二极管电阻较小,故应采用电流表外接法;
故答案如图所示;

④为了防止超过最大电流,可以在电路中串接保护电阻;同时也可以通过实验方法,即慢慢调节滑动触片,注视电流表,使电流表示数不得超过25mA;
⑤设二极管两端电压为U,通过的电流为I,由闭合电路欧姆定律得方程U=1.5-50I,在二极管伏安图象中作出该方程的直线,该直线与二极管伏安曲线相交,读出交点的纵坐标值即为I.
故答案为:①右;②D、F;③如图
④为了防止超过最大电流,可以在电路中串接保护电阻;同时也可以通过实验方法,即慢慢调节滑动触片,注视电流表,使电流表示数不得超过25mA
⑤设二极管两端电压为U,通过的电流为I,由闭合电路欧姆定律得方程U=1.5-50I,在二极管伏安图象中作出该方程的直线,该直线与二极管伏安曲线相交,读出交点的纵坐标值即为I.
点评:本题考查了欧姆表的原理及伏安特性曲线,综合性较强,要求学生能全面掌握实验知识;注意欧姆表的原理及分压接法等基本原理.
(2)电源已知,根据电源的电动势可以选出电压表,由图中示数可以选出电流表;
(3)为了得到范围较大的测量值,本实验应选择分压接法,为了准确应选用电流表外接法;
(4)要控制电路关键在于控制二极管两端的电压,故可以通过加入保护电阻分压,或在调节时让滑动变阻器分压慢慢变大,进行控制.
(5)由闭合电路欧姆定律列出方程,在二极管伏安图象中作出该方程的直线,该直线与二极管伏安曲线相交,读出交点的纵坐标值即为I
解答:解:①二极管具有单向导电性;而欧姆表中指针偏转较大说明电阻较小,即为正向电流;而欧姆表内部的电源正极接在黑表笔上,故黑表笔接在二极管的正极处电流较大,故由题意可知,二极管右侧为正;
②由题意可知,采用的电源电压为3V,故为了安全和准确,电压表应选取D,3V的量程;由图可知,最大电流约为30mA,故电流表应选F;故选D,F;
③由题意可知,本实验要求作出伏安特性曲线,故要求多测数据,故应采用分压接法;同时,因二极管电阻较小,故应采用电流表外接法;
故答案如图所示;
④为了防止超过最大电流,可以在电路中串接保护电阻;同时也可以通过实验方法,即慢慢调节滑动触片,注视电流表,使电流表示数不得超过25mA;
⑤设二极管两端电压为U,通过的电流为I,由闭合电路欧姆定律得方程U=1.5-50I,在二极管伏安图象中作出该方程的直线,该直线与二极管伏安曲线相交,读出交点的纵坐标值即为I.
故答案为:①右;②D、F;③如图
④为了防止超过最大电流,可以在电路中串接保护电阻;同时也可以通过实验方法,即慢慢调节滑动触片,注视电流表,使电流表示数不得超过25mA
⑤设二极管两端电压为U,通过的电流为I,由闭合电路欧姆定律得方程U=1.5-50I,在二极管伏安图象中作出该方程的直线,该直线与二极管伏安曲线相交,读出交点的纵坐标值即为I.
点评:本题考查了欧姆表的原理及伏安特性曲线,综合性较强,要求学生能全面掌握实验知识;注意欧姆表的原理及分压接法等基本原理.
练习册系列答案
相关题目