题目内容
有一小灯泡上标有“6V,0.2A”的字样,现要测量灯泡的伏安特性曲线,有下列器材供选用:A.电压表(0~3V,内阻2.0kΩ)
B.电压表(0~10V,内阻3.0kΩ)
C.电流表(0~0.3A,内阻3.0Ω)
D.电流表(0~6A,内阻1.5Ω)
E.滑动变阻器(最大阻值为50Ω)
F.滑动变阻器 (最大阻值为1KΩ)
G.学生电源(直流9V)及开关、导线等
(1)实验中所用的器材为 (填字母代号).
(2)画出实验电路图,要求电压从0开始测量.
【答案】分析:(1)考虑安全(不超过量程)、精确(选小量程,减小读数误差)、操作方便(滑动变阻器喧嚣电阻)的原则选择电表;
(2)电压要从开始连续调节,故滑动变阻器采用分压式接法;由于灯泡电阻较小,“大内小外”,故采用安培表外接法.
解答:解:(1)电源电压为9V,小灯泡额定电压为6V,用3V量程电压表,电压不能超过3V,故电压表选B;
额定电流为0.2A,为减小读数误差,故电流表选选C;
电压要从0开始连续调节,故滑动变阻器采用分压式接法,选小电阻的操作方便,即滑片滑动相同距离小电阻的变阻器变化的电压小,方便观测数据,故变阻器选择E;
电源必选.
故选:BCEG.
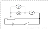
(2)电灯泡电阻较小,“大内小外”,故采用安培表外接法;
电压要从0开始连续调节,故滑动变阻器采用分压式接法;
故电路图如下图所示

点评:本题关键是:(1)明确电表和滑动变阻器的选择依据;(2)明确安培表内、外接法的选择原则和滑动变阻器分压式接法的选择原因.
(2)电压要从开始连续调节,故滑动变阻器采用分压式接法;由于灯泡电阻较小,“大内小外”,故采用安培表外接法.
解答:解:(1)电源电压为9V,小灯泡额定电压为6V,用3V量程电压表,电压不能超过3V,故电压表选B;
额定电流为0.2A,为减小读数误差,故电流表选选C;
电压要从0开始连续调节,故滑动变阻器采用分压式接法,选小电阻的操作方便,即滑片滑动相同距离小电阻的变阻器变化的电压小,方便观测数据,故变阻器选择E;
电源必选.
故选:BCEG.
(2)电灯泡电阻较小,“大内小外”,故采用安培表外接法;
电压要从0开始连续调节,故滑动变阻器采用分压式接法;
故电路图如下图所示
点评:本题关键是:(1)明确电表和滑动变阻器的选择依据;(2)明确安培表内、外接法的选择原则和滑动变阻器分压式接法的选择原因.
练习册系列答案
相关题目