题目内容
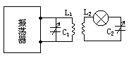
下图中
,当改变电容器
的值,使它由小变大逐渐接近
的值,在这过程中看到的现象是
[ ]
A.灯泡由发光到不发光
B.灯泡由不发光到发光,由暗变亮
C.灯泡由不发光到发光,由暗变亮,然后又逐渐变暗
D.以上说法都不对
答案:B
练习册系列答案
相关题目
题目内容
下图中
,当改变电容器
的值,使它由小变大逐渐接近
的值,在这过程中看到的现象是
[ ]
A.灯泡由发光到不发光
B.灯泡由不发光到发光,由暗变亮
C.灯泡由不发光到发光,由暗变亮,然后又逐渐变暗
D.以上说法都不对