题目内容

某同学要测量一均匀新材料制成的圆柱体的电阻率ρ。步骤如下:

   (1)用游标为20分度的卡尺测量其长度如图,由图可知其长度为     cm;

 

   (2)用螺旋测微器测量其直径如右上图,由图可知其直径为         mm;

   (3)用多用电表的电阻“×10”挡,按正确的操作步骤测此圆柱体的电阻,表盘的示数如图,则该电阻的阻值约为               Ω。

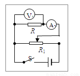
   (4)该同学想用伏安法更精确地测量其电阻R,现有的器材及其代号和规格如下:

待测圆柱体电阻R,

电流表A1(量程0~4mA,内阻约50Ω),

电流表A2(量程0~10mA,内阻约30Ω),

电压表V1(量程0~3V,内阻约10kΩ),

电压表V2(量程0~15V,内阻约25kΩ),

直流电源E(电动势4V,内阻不计),

滑动变阻器R1(阻值范围0~15Ω,允许通过的最大电流2.0A),

滑动变阻器R2(阻值范围0~2kΩ,允许通过的最大电流0.5A),

开关S,导线若干,

为使实验误差较小,要求测得多组数据进行分析,

请在右框中画出测量的电路图,并标明所用器材的代号。

   (5)若该同学用伏安法跟用多用电表测量得到的R测量值几乎相等,由此可估算此圆柱体材料的电阻率约为

ρ=        。(保留2位有效数字)

 

【答案】

(1)5.015

(2)4.700

(3)220

(4)如右图

(5)

【解析】略

 

练习册系列答案
相关题目
(1)用如图1所示的实验装置验证机械能守恒定律.实验所用的电源为学生电源,输出电压为6V的交流电和直流电两种.重锤从高处由静止开始下落,重锤上拖着的纸带打出一系列的点,对纸带上的点痕进行测量,即可验证机械能守恒定律.
①下面列举了该实验的几个操作步骤:
A.按照图示的装置安装器件;
B.将打点计时器接到电源的“直流输出”上;
C.用天平测出重锤的质量;
D.释放悬挂纸带的夹子,同时接通电源开关打出一条纸带;
E.测量纸带上某些点间的距离;
F.根据测量的结果计算重锤下落过程中减少的重力势能是否等于增加的动能.
其中没有必要进行的或者操作不当的步骤,将其选项对应的字母填在下面的空行内,并说明其原因.
答:
 

②利用这个装置也可以测量重锤下落的加速度a的数值.如图2所示,根据打出
精英家教网
的纸带,选取纸带上的连续的五个点A、B、C、D、E,测出A距起始点O的距离为s0,点AC间的距离为s1,点CE间的距离为s2,使用交流电的频率为f,根据这些条件计算重锤下落的加速度a=
 

③在验证机械能守恒定律的实验中发现,重锤减小的重力势能总是大于重锤动能的增加,其原因主要是因为在重锤下落的过程中存在阻力作用,可以通过该实验装置测阻力的大小.若已知当地重力加速度公认的较准确的值为g,还需要测量的物理量是
 
.试用这些物理量和上图纸带上的数据符号表示出重锤在下落的过程中受到的平均阻力大小F=
 

(2)、某同学要测量一均匀新材料制成的圆柱体的电阻率ρ.步骤如下:
①用游标为20分度的卡尺测量其长度如图3,由图3可知其长度为
 
mm;
精英家教网
②用螺旋测微器测量其直径如图4,由图4可知其直径为
 
mm;
③用多用电表的电阻“×10”挡,按正确的操作步骤测此圆柱体的电阻,表盘的示数如图4,则该电阻的阻值约为
 
Ω.
④该同学想用伏安法更精确地测量其电阻R,现有的器材及其代号和规格如下:
待测圆柱体电阻R
电流表A1(量程0~4mA,内阻约50Ω)
电流表A2(量程0~10mA,内阻约30Ω)
电压表V1(量程0~3V,内阻约10kΩ)
电压表V2(量程0~15V,内阻约25kΩ)
直流电源E(电动势4V,内阻不计)
滑动变阻器R1(阻值范围0~15Ω,允许通过的最大电流2.0A)
滑动变阻器R2(阻值范围0~2kΩ,允许通过的最大电流0.5A)
开关S,导线若干为使实验误差较小,要求测得多组数据进行分析,请在右框中画出测量的电路图,并标明所用器材的代号.

违法和不良信息举报电话:027-86699610 举报邮箱:58377363@163.com

精英家教网