题目内容
要测一个待测电阻Rx(190?~210?)的阻值,实验室提供了如下器材:电源E:电动势3.0V,内阻不计;电流表A1:量程0~10mA,内阻r1约50?;电流表A2:量程0~500μA,内阻r2为1000?;滑动变阻器R1:最大阻值20?,额定电流2A;定值电阻R2=5000?;定值电阻R3=500?;电键S及导线若干.
要求实验中尽可能准确测量Rx的阻值,请回答下面问题:
①为了测定待测电阻上的电压,可以将电流表 (选填“A1”或“A2”)串联定值电阻 (选填“R2”或“R3”),将其改装成一个量程为3.0V的电压表.
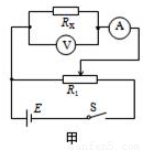
②如图所示,同学们设计了测量电阻Rx的甲、乙两种电路方案,其中用到了改装后的电压表和另一个电流表,则应选电路图 (选填“甲”或“乙”).
③若所选测量电路中电流表A的读数为I=6.2mA,改装后的电压表V读数如图丙所示,则电压表V读数是 V.根据电流表和电压表的读数,并考虑电压表内阻,求出待测电阻Rx= ?.
【答案】分析:本题的关键是将内阻为已知的电流表A2 与定值电阻串联改装为电压表,然后判断电流表应选外接法,由于滑动变阻器阻值太小,故变阻器应用分压式接法.
解答:解:①由于电流表A2 的内阻一定,又定值电阻R2 与电流表A2 内阻接近,可考虑将 A2与 R2串联,根据欧姆定律有U=I2(R2+r2)=3V,与电源电动势接近,故可以将电流表 A2串联定值电阻 R2,将其改装成一个量程为3V的电压表.
②由①知电压表的内阻RV=R2+r2=1000+5000=6000Ω,由于
,故电流表应用用外接法;又滑动变阻器最大电阻远小于待测电阻阻值,故变阻器应用分压式接法,电路图如甲图所示;
③根据图b电压表的读数为U=1.20v,根据欧姆定律有I=
,代入数值可得 RX=200Ω
故答案为①A2,R2 ②如甲图
③1.20; 200.0.
点评:在电学实验中,应将电阻值一定的电流表进行改装,若需改为电压表则应串联一电阻,若需改为电流表则应串联一电阻.
解答:解:①由于电流表A2 的内阻一定,又定值电阻R2 与电流表A2 内阻接近,可考虑将 A2与 R2串联,根据欧姆定律有U=I2(R2+r2)=3V,与电源电动势接近,故可以将电流表 A2串联定值电阻 R2,将其改装成一个量程为3V的电压表.
②由①知电压表的内阻RV=R2+r2=1000+5000=6000Ω,由于
③根据图b电压表的读数为U=1.20v,根据欧姆定律有I=
故答案为①A2,R2 ②如甲图
③1.20; 200.0.
点评:在电学实验中,应将电阻值一定的电流表进行改装,若需改为电压表则应串联一电阻,若需改为电流表则应串联一电阻.
练习册系列答案
相关题目