题目内容
如图所示,电源电动势E=4.0 V,电源内电阻r=0.50 Ω,电阻器R2=18 Ω,安培表A1的读数为0.50 A,安培表A2的读数为0.30 A,伏特表V的读数为3.0 V,求:R1、R3、R4的阻值各多大?(不计各电表内阻的影响)
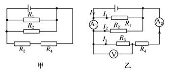
![]()
【答案】
12 Ω 10 Ω 2.0 Ω
【解析】先把题图所示电路中的安培表短路、伏特表断路,根据节点跨接法画出图甲所示的简化电路结构,再把各电表填到其对应的位置改画成图乙所示的电路图.
![]()
由图甲可以看出R3和R4串联后再和R1、R2并联接在电源两端.由图乙可以看出安培表A1示数为通过R2上的电流I2和通过R3上的电流I3之和;安培表A2量的是通过R3、R4上的电流(I3=I4);伏特表量的是R3两端的电压.
由欧姆定律得R3=
Ω=10 Ω,
通过R2上的电流I2=0.50 A-0.30 A=0.20 A,
电源的端电压U=U1=U2=I2R2=0.20×18 V=3.6 V
由闭合电路的欧姆定律E=U+Ir
电路的总电流I=
A=0.80 A
R1上的电流为I1=I-(I2+I3)=0.30 A
R1=
Ω=12
Ω
R4两端的电压U4=U-U3=3.6 V-3.0 V=0.60 V
R4
Ω=2.0
Ω
解得R1、R3、R4的阻值分别为12 Ω,10 Ω和2.0 Ω.
练习册系列答案
相关题目
| A、电压表示数减少,电流表示数增大 | B、电压表示数增大,电流表示数减少 | C、两电表示数都增大 | D、两电表示数都减少 |