题目内容

2010年暑假期间,某学校课题研究小组为了撰写关于未知材料电阻率的实践报告,设计了一个测量电阻率(被测电阻丝的阻值约为15)的实验方案,可提供的器材有:
A、电流表G,内阻Rg=120,满偏电流Ig=3mA
B、电流表A,内阻约为0.2,量程为0~0.6A
C、螺旋测微器
D、电阻箱R0(0~9999,0.5A)
E、滑动变阻器Rg (5,1A)
F、干电池组(3V,0.05
G、一个开关和导线若干
他进行了以下操作:
(1)用螺旋测微器测电阻丝的直径,其示数部分如图所示,则该次测量测得直径=         mm。

(2) 把电流表G与电阻箱串联改装成电压表使用,最大测量电压为3V,则电阻箱的阻值应调为=______
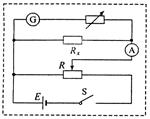
(3)请用改造完的电压表设计一个测量电阻率的实验电路,根据提供的器材和实验需要,请将图中电路图补画完整。

(4)实验数据的测量与电阻率的计算:如果电阻丝的长度用L表示,电路闭合后,调节滑动变阻器的滑片到合适位置,电流表G的示数为I1,电流表A的示数为I2,请用已知量和测量量写出计算电阻率的表达式___________________________。

(1)0.265~0.268   (2)880  
(3)如图所示             (4)         

解析试题分析:(1)螺旋测微器的读数包括两部分:大于0.5mm的刻度值由主尺读出,用m表示;小于0.5mm的刻度值由旋轮(即可动刻度)读出,用n表示,可动刻度要估读一位,则螺旋测微器所测量的值为m+0.01n,单位为毫米。所以本题读作0.265~0.268mm
(2)把电流表G与电阻箱串联改装成电压表使用,则有
(3)由于,所以电流表外接;滑动变阻器电阻较小,限流电路电流变化范围较小,所以采用分压电路,电路连接如下图。

(4)由欧姆定律有,由电阻定律有,则可得
考点:电阻率的测量
点评:根据实验数据选择合适的器材,根据实验误差选择合适的电路。

练习册系列答案
相关题目
2010年暑假期间,某学校课题研究小组为了撰写关于未知材料电阻率的实践报告,设计了一个测量电阻率的实验方案,
可提供的器材有:A、电流表G,内阻Rg=120Ω,满偏电流Ig=3mA
B、电流表A,内阻约为0.2Ω,量程为0~0.6A     C、螺旋测微器
D、电阻箱R0(0~9999Ω,0.5A)             E、滑动变阻器R0(5Ω,1A)
F、干电池组(3V,0.05Ω)               G、一个开关和导线若干
他进行了以下操作:
(1)用多用电表粗测电阻丝的阻值,当用“×10Ω”挡时发现指针偏转角度过大,他应该换用
×1Ω
×1Ω
挡(填“×1Ω”
或“×100Ω”),换挡后,在再次测量前先要
欧姆调零
欧姆调零
,进行一系列正确操作后,指针静止时图1所示,则电阻丝的阻
值约为
15Ω
15Ω

(2)用螺旋测微器测电阻丝的直径,其示数部分如图2所示,则该次测量的直径d=
0.266
0.266
mm.
(3)因无电压表、固用电流表G与电阻箱串联使用,最大测量电压为3V,则电阻箱的阻值应调为R0=
880
880
Ω.
(4)设计实验电路,根据提供的器材和实验需要,请将图3中电路图补画完整.
(5)实验数据的测量与电阻率的计算,如果电阻丝的长度用L表示,电路闭合后,调节滑动变阻器的滑片到合适位置,
电流表G的示数为I1,电流表A的示数为I2,请用已知量和测量写出计算电阻率的表达式p=
πd2I1(Rg+R0)
4L(I2-I1)
πd2I1(Rg+R0)
4L(I2-I1)

违法和不良信息举报电话:027-86699610 举报邮箱:58377363@163.com

精英家教网