题目内容

为了测量某待测电阻Rx的阻值(约为60Ω)。有以下一些器材可供选择:

电流表:(量程0~50mA,内阻约10Ω)     (量程0~3A,内阻约0.12Ω)

电压表:(量程0~3V,内阻3KΩ)         (量程0~15V,15KΩ)

电源:E(电动势为约为3V,内阻约为0.2Ω)

滑动变阻器(0~10Ω、允许最大电流2.0A)   滑动变阻器(0~1kΩ、允许最大电流0.5A) 单刀单掷开关S一个,导线若干

(1)电流表应选_______,电压表应选_______,滑动变阻器应选________(填字母代号)。

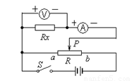
(2)请在方框中画出测量电阻Rx的实验电路图(要求所测量值范围尽可能大)

(3)测得待测电阻Rx的测量值     真实值(填大于、等于或小于),引起实验误差的原因是                               

 

【答案】

(1)  ,     , (填写字母即可)

(2)电路图如右图所示

 

(4)小于,电压表的分流作用。

【解析】电源电动势3V,电路中最大电流为0.05A,所以电流表应选择,电压表选,因为要求测量范围尽可能要大一些,所以滑动变阻器选电阻小的,测量的电阻实际上为电压表与电阻的并联电阻,测量值偏小

 

练习册系列答案
相关题目

违法和不良信息举报电话:027-86699610 举报邮箱:58377363@163.com

精英家教网