题目内容
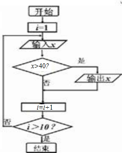
19.给出以下10个数,5,9,80,43,95,73,28,17,60,36.要求把大于40的数找出来并输出,试画出该问题的算法程序框图.分析 程序框图的功能是把大于40的数找出来,可设计2个变量,用循环结构实现这一算法,从而可画出程序框图.
解答 ![]()
点评 本题主要考查了当型循环结构,循环结构有两种形式:当型循环结构和直到型循环结构,当型循环是先判断后循环,直到型循环是先循环后判断,该题型比较新颖,属于基础题.
练习册系列答案
相关题目
9.设全集为R,集合A={x||x|<3},B={x|-1<x≤5},则A∩(∁RB)=( )
| A. | (-3,0) | B. | (-3,-1] | C. | (-3,-1) | D. | (-3,3) |
7.某商品在5家商场的售价x(元)和销售量y(件)之间的一组数据如下表所示:
由散点图可知,销售量y与价格x之间有较好的线性相关关系,且回归直线方程是$\stackrel{∧}{y}$=-3.2x+4a,则a=10.
| 价格x(元) | 9 | 9.5 | 10 | 10.5 | 11 |
| 销售量y(件) | 11 | a | 8 | 6 | 5 |