有机物A(C6H8O4)为食品包装纸的常用防腐剂.A可以使溴水褪色.A难溶于水,但在酸性条件下可发生水解反应,得到B(C4H4O4)和甲醇.通常状况下B为无色晶体,能与氢氧化钠溶液发生反应.
(1)A可以发生的反应有_________(填序号).
①加成反应 ②酯化反应 ③加聚反应 ④氧化反应
(2)B分子中所含官能团的名称是_________.
(3)B分子中没有支链,其结构简式是_________,B的具有相同官能团的同分异构体的结构简式是_________.
(4)由B制取A的化学方程式是________.
(5)天门冬氨酸(C4H7NO4)是组成人体蛋白质的氨基酸之一,可由B通过以下反应制取:
天门冬氨酸的结构简式是________.
(1)今有2H2+O22H2O反应,构成燃料电池,则负极通的应是_________,正极通的应是_________,电极反应式为:________、________.
(2)如把KOH改为稀H2SO4作导电物质,则电极反应式为_________、_________,(1)和(2)的电解液不同,反应进行后,其溶液的pH各有何变化?
(3)如把H2改为甲烷,KOH作导电物质,则电极反应式为_________.
将等物质的量的A、B、C、D四种物质混合放入V L密闭容器中,发生如下反应:aA+bBcC(s)+dD,当反应进行到第t min时,测得A减少了n mol,B减少了mol,C增加了mol,D增加了n mol.此时反应达到平衡.
(1)该化学方程式中,各物质的化学计量数分别为:a=________、b=________、c=________、d=________.
(2)以B的浓度变化表示的该化学反应的速率为v(B)=________.
(3)若只改变压强,反应速率发生变化,但平衡不发生移动,该反应中各物质的聚集状态是:A________、B________、D________.
(4)若只升高温度,反应一段时间后,测知四种物质的物质的量又达到相等,则该反应为________反应.(填“放热”或“吸热”)
在一定温度下,密闭容器中A+B2C类型的反应达到了平衡.
(1)当增加或减少A物质时,平衡不移动,则A物质的状态为_________.
(2)升高温度时,平衡向右移动,此正反应为_________反应,升高温度时,正反应速率_________,逆反应速率_________(填“增大”或“减小”).
(3)若B物质为气态,增大压强时平衡不移动,则A物质为_________态物质,C物质为_________态物质.
下表中的数据是破坏1 mol物质中的化学键所消耗的能量(kJ):
根据上述数据回答下列问题:
(1)
下列物质本身具有的能量最低的是
A.
H2
B.
Cl2
C.
Br2
D.
I2
(2)
下列氢化物中最稳定的是
HCl
HBr
HI
(3)
X2+H22HX(X代表Cl、Br、I)的反应是吸热反应还是放热反应?________.
(4)
相同条件下,X2(X代表Cl、Br、I)分别与氢气反应,当消耗等物质的量的氢气时,放出或吸收的热量最多的是________.
(5)
若无上表中的数据,你能正确回答出问题(4)吗?你的依据是什么?
现有A、B、C、D四种短周期元素,A分别与B、C、D结合生成甲、乙、丙三种化合物,C和D结合生成化合物丁.B、C两种元素的单质和甲、乙、丙、丁四种化合物的转化关系如图:
又知化合物甲、乙、丙分子中均含有10个质子,且甲可以腐蚀玻璃.
(1)根据以上条件可以确定A、B、C、D四种元素中的三种,不能被确定的第四种元素是(填写下列选项的序号);
①A ②B
③C ④D
写出转化关系图中已确认的反应的化学方程式:________;
(2)写出C+丙丁+乙可能的一个化学反应方程式:________;
(3)以下四个补充条件中的任何一个都可以进一步确定第四种元素,其中一个条件推断出的第四种元素与其余三个条件推断出的第四种元素不同,该条件是________(填写选项序号);依据该条件推断的第四种元素在周期表中的位置为________;这四种元素的非金属性由强到弱的顺序是________.
①化合物甲与丙、乙与丙均能够发生反应.
②化合物甲、乙、丙都是无色物质,其中只有甲有刺激性气味.
③通常情况下乙和丁不发生反应,若将乙、丁、单质C混合,立即发生化合反应.
④单质C和化合物丁不能共存.
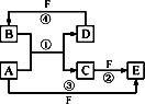
A、B、C、D、E、F六种物质的转化关系如图所示(反应条件和部分产物未标出).
(1)若A为短周期金属单质,D为短周期非金属单质,且所含元素的原子序数A是D的2倍,所含元素的原子最外层电子数D是A的2倍,F的浓溶液与A、D反应都有红棕色气体生成,则A的原子结构示意图为________,反应④的化学方程式为________.
(2)若A是常见的金属单质,D、F是气态单质,且反应①在水溶液中进行.反应②也在水溶液中进行,其离子方程式是________,已知常温下D与F反应生成B,写出该反应的化学方程式________.
(3)若A、D、F都是短周期非金属元素单质,且A、D所含元素同主族,A、F所含元素同周期,则反应①的化学方程式为________.
下表为元素周期表的一部分,回答下列有关问题:
(1)写出下列元素符号:①________,⑥________,⑦________,________.
(2)在这些元素中,最活泼的金属元素是________,最活泼的非金属元素是________,最不活泼的元素是________.
(3)在这些元素的最高价氧化物对应的水化物中,酸性最强的是________,碱性最强的是________,呈两性的氢氧化物是________,写出三者之间相互反应的化学方程式:________,________,________.
(4)在这些元素中,原子半径最小的是________,原子半径最大的是________.
(5)在③与④中,化学性质较活泼的是________,怎样用化学实验证明?
在⑧与中,化学性质较活泼的是,怎样用化学实验证明?
A、B、C、D四种短周期元素,它们的原子序数依次增大,其中A与C及B与D分别是同主族元素;已知B、D两元素间可形成DB2和DB3两种化合物,两者相对分子质量相差16;又知A、C两元素原子序数之和是B、D两元素原子序数之和的.请回答下列问题:
(1)写出由A、B、C三元素形成的化合物的电子式________,其晶体中所含化学键的类型有________.
(2)A2B与A2D的沸点:A2B________A2D;(填“高于”、“低于”)其原因是________.
(3)由A、B、C、D四种元素形成的物质X,与盐酸反应能够生成具有刺激性气味的气体,写出X与盐酸反应的离子方程式________.
已知五种元素的原子序数大小顺序为C>A>B>D>E,A、C同周期,B、C同主族.A与B形成的离子化合物A2B中所有离子的电子数相同,其电子总数为30;D和E可形成4核10个电子的分子.
试回答下列问题:
(1)写出五种元素的名称:A________,B________,C________,D________,E________.
(2)用电子式表示离子化合物A2B的形成过程:________.
(3)写出下列物质的电子式:
D元素形成的单质________;
E与B形成的化合物________;
A、B、E形成的化合物________;
D与E形成的共价化合物________.