(6分)氧化一还原反应实际上是含氧化反应和还原反应二个过程,一个还原反应过程如下:NO3—+4H++ 3e— NO+ 2H2O
下列四种物质:KMnO4,Na2CO3,KI,Fe2(SO4)3中的一种物质甲,滴加少量稀硝酸,能使上述反应过程发生。
(1)被还原元素是______ ;还原剂是 ;
(2)写出并配平该氧化还原反应的化学方程式并用双线桥注明其电子转移的方向和数目: ;
(3)反应生成0.4mol H20,则转移电子的数目为 个;
(4)若反应后,氧化产物的化合价升高,而其他物质保持不变,则反应中氧化剂与还原剂物质的量之比将 (填“增大”、“不变”、“减小”或“不能确定”)
(10分)已知A、B、C、D、E五种元素为前20号元素,其原子序数依次增大,A元素所处的周期数、主族序数、原子序数均相等;B元素与A元素形成的一种式量为32的化合物常做火箭的推进剂,其另一种化合物的水溶液能使红色石蕊试纸变蓝;E元素的原子半径在前20号元素中最大(不含稀有气体);D元素与A元素能形成分子式为AD典型的共价化合物;C元素的单质和氧化物均能既溶于AD的水溶液,也能溶于E元素最高价氧化物对应的水化物。试回答:
(1)元素符号:A____ ,B_____ ,E 。
(2)比较C、D、E三种元素简单离子的半径大小关系: (离子符号表示)
(3)鉴别E元素存在的方法是: ;
(4)写出C元素的离子与过量E元素的最高价氧化物对应的水化物的离子方程式:
;
(5)写出A、B两元素形成的式量为32的化合物的电子式 ;若0.5mol该气态化合物与N2O4(g)充分反应生成无毒的气态产物所放出的热量为269.175KJ,请写出该反应的热化学方式: 。
(7分)一定条件下,在体积为3L的密闭容器中,一氧化碳与氢气反应生成甲醇(催化剂为Cu2O/ZnO):CO(g)+2H2(g)CH3OH(g) ΔH< 0
根据题意完成下列各题:
(1)反应达到平衡时,平衡常数表达式K = 。
(2)其它条件不变,仅把温度改为500℃,请在下图上画出此温度下甲醇的物质的量随反应时间变化的示意图。
(3)升高温度,K值 (填“增大”、“减小”或“不变”),增大压强,
K值 (填“增大”、“减小”或“不变”)。
(4)在300℃,从反应开始到平衡,氢气的平均反应速率v(H2)=
(5)在其他条件不变的情况下,对处于B点的体系体积压缩到原来的1/2,下列有关该体系的说法正确的是( )
a.氢气的浓度减少 b.正反应速率加快,逆反应速率减小
c.甲醇的物质的量增加 d.重新平衡时n(H2)/n(CH3OH)减小
(10分)Ⅰ.下列有关实验的叙述,正确的是________ (填字母序号)。
A.配制0.1 mol/L的氯化钠溶液时,将称量的氯化钠固体直接加入容量瓶,再加水至刻度线。
B.用洁净且干燥的玻璃棒蘸取待测液滴到放在表面皿上的pH试纸上,与标准比色卡对照,测溶液的pH。
C.滴定管洗净后,经蒸馏水润洗后可注入标准液进行滴定。
D.向20 mL煮沸的蒸馏水中滴加FeCl3饱和溶液1~2 mL,继续煮沸,待溶液呈红褐色即得Fe(OH)3胶体。
E.用浓氨水洗涤做过银镜反应的试管。
F.制备乙酸乙酯时,药品加入顺序为:乙醇——浓硫酸——乙酸。
G.当不慎在皮肤上沾上浓硫酸时,应立即用大量水冲洗。
Ⅱ.如下图所示仪器和装置,经过简单的连接,可制取多种中学化学常见的气体(不考虑尾气吸收)。请回答下列问题:
(1)选择装置A、D可制取的气体是________________(仅填一种气体的化学式即可);反应的化学方程式为:________________ 。
(2)选择装置________ (填写装置的字母)可制取乙烯,检验乙烯中还原性杂质气体应选择的试剂是________ 。
(3)选择装置C、F,可制取的气体是________(仅填一种气体的化学式即可);检查装置C气密性的方法是:_______ .
(10分)
双安妥明是一种降血脂药物,主要用于降低血液中胆固醇浓度,安全,副作用小,其结构简式为:
已知 : I
II.
双安妥明的合成路线如下
已知:C的分子式为C4H8,且支链有一个甲基;Ⅰ能发生银镜反应且1mol I能与2mol氢气发生加成反应;K的结构具有对称性。试回答下列问题:
①写出结构简式:A , J ,
C的名称为 。
②反应(2)的条件是 ,反应(3)的类型是 。
③写出反应(4)的化学方程式:
④与F互为同分异构体,且属于酯类的有机物有 种,并写出其中能发生银镜反应的有机物的结构简式: 。
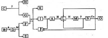
(9分)已知A~O分别代表一种物质,它们之间的转化关系如下图所示(反应条件略去)。A、B、H分别是由短周期元素组成的单质。B与冷水缓慢反应,与沸水迅速反应放出氢气。D是一种离子化合物,其阴阳离子的个数之比为2:3,且能与足量的水反应得到两种碱。C为淡黄色固体化合物,物质O能与G的水溶液反应生成蓝色沉淀。
(1)组成H单质的元素位于周期表第 周期,第 族;
(2)化合物D的化学式为 ;
(3)物质F的水溶液与G的水溶液在常温下反应的离子方程式为: ;
(4)物质C与等物质的量的KHSO3溶液反应的离子方程式为: ;
(5)物质N的浓溶液与Cu反应的化学方程式: 。
下列化合物分子中,在核磁共振氢谱图中能给出三个信号峰的是
A. CH3CH2C(CH2CH3)3 B. CH3CH2OH
C. CH3CH(CH3)2 D. CH3CH2CH2CH3
下列关于常见有机物的说法正确的是
A.硝化甘油、火棉、TNT都是硝酸酯
B.乙酸和油脂都能与氢氧化钠溶液发生皂化反应
C.糖类和蛋白质都是人体重要的营养物质
D.乙醛和甲酸乙酯可用酸性高锰酸钾溶液鉴别
下列物质一定属于同系物的是
A.④和⑧ B.①和③ C.②和⑤ D.⑥和⑦
下列系统命名法正确的是
A. 2—甲基—3—丙基戊烷 B. 3,4,4—三甲基己烷
C. 2,3—二乙基—1—戊烯 D. 2—甲基—4—异丙基己烷