已知:
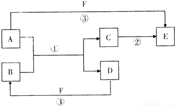
烃基烯基醚A可以实现下图转化,图中Mr为对应物质的相对分子质量.A分子中碳氢原子数目比为3:4.
请回答下列问题:

(1)A的结构简式为______;G的结构简式为______.
(2)写出④~⑦步反应所加试剂、反应条件和④~⑥步反应类型:
(3)写出反应③(C→D)的化学方程式:______.
(4)写出一种同时符合下列两个条件的E的同分异构体的结构简式:①属于芳香醛;②苯环上有两种不同环境的氢原子.
结构简式:______.
烃基烯基醚A可以实现下图转化,图中Mr为对应物质的相对分子质量.A分子中碳氢原子数目比为3:4.
请回答下列问题:
(1)A的结构简式为______;G的结构简式为______.
(2)写出④~⑦步反应所加试剂、反应条件和④~⑥步反应类型:
| 序号 | 所加试剂及反应条件 | 反应类型 |
| ④ | ||
| ⑤ | ||
| ⑥ | ||
| ⑦ |
(4)写出一种同时符合下列两个条件的E的同分异构体的结构简式:①属于芳香醛;②苯环上有两种不同环境的氢原子.
结构简式:______.
CoCl2?6H2O是一种饲料营养强化剂.以含钴(Co)废料(含少量Fe、Al等杂质)制取CoCl2?6H2O的一种新工艺,流程如图:

已知:
①钴与盐酸反应的化学方程式为:Co+2HCl=CoCl2+H2↑
②CoCl2?6H2o熔点86℃,易溶于水、乙醚等;常温下稳定无毒,加热至110~120℃时,失去结晶水变成有毒的无水氯化钴.
③部分阳离子以氢氧化物形式沉淀时溶液的pH见下表:
回答下列问题:
(1)在上述工艺中,用“盐酸”代替原工艺中“盐酸与硝酸的混酸”直接溶解含钴废料,其主要优点为______.
(2)加入碳酸钠调节pH至a,a的范围是______.
(3)操作I包含3个基本实验操作,它们是______和过滤.
(4)制得的CoCl2?6H2O需减压烘干的原因是______.
(5)为测定产品中CoCl2?6H2O的含量,某同学将一定量的样品溶于水,再向其中加入足量的AgNO3溶液,过滤,并将沉淀烘干后称量其质量.通过计算发现产品中CoCl2?6H2O的质量分数大于100%,其原因可能是______.
(6)在实验室中,为了从上述产品中获得纯净的CoCl2?6H2O,采用的方法是______.
0 67265 67273 67279 67283 67289 67291 67295 67301 67303 67309 67315 67319 67321 67325 67331 67333 67339 67343 67345 67349 67351 67355 67357 67359 67360 67361 67363 67364 67365 67367 67369 67373 67375 67379 67381 67385 67391 67393 67399 67403 67405 67409 67415 67421 67423 67429 67433 67435 67441 67445 67451 67459 203614
已知:
①钴与盐酸反应的化学方程式为:Co+2HCl=CoCl2+H2↑
②CoCl2?6H2o熔点86℃,易溶于水、乙醚等;常温下稳定无毒,加热至110~120℃时,失去结晶水变成有毒的无水氯化钴.
③部分阳离子以氢氧化物形式沉淀时溶液的pH见下表:
| 沉淀物 | Fe(OH)3 | Fe(OH)2 | Co(OH)2 | Al(OH)3 |
| 开始沉淀 | 2.3 | 7.5 | 7.6 | 3.4 |
| 完全沉淀 | 4.0 | 9.7 | 9.2 | 5.2 |
(1)在上述工艺中,用“盐酸”代替原工艺中“盐酸与硝酸的混酸”直接溶解含钴废料,其主要优点为______.
(2)加入碳酸钠调节pH至a,a的范围是______.
(3)操作I包含3个基本实验操作,它们是______和过滤.
(4)制得的CoCl2?6H2O需减压烘干的原因是______.
(5)为测定产品中CoCl2?6H2O的含量,某同学将一定量的样品溶于水,再向其中加入足量的AgNO3溶液,过滤,并将沉淀烘干后称量其质量.通过计算发现产品中CoCl2?6H2O的质量分数大于100%,其原因可能是______.
(6)在实验室中,为了从上述产品中获得纯净的CoCl2?6H2O,采用的方法是______.