王楠同学在学习了滑动变阻器的知识后,决定将自己的台灯改为调光式,于是他从解放碑雅兰电子城买了“1W 2kΩ”的电位器一个,装在台灯(灯泡为“PZ220 60”)上,一开灯,确实能调光,但电位器一会儿就冒起烟了,吓得他赶快扯下了插头。分析他失败的原因是( )
| A.因为一开灯能调光,说明电位器规格正确,主要是电位器的质量低劣 |
| B.电位器额定电流偏大 |
| C.电位器电阻偏小,应换用20kΩ的 |
| D.电位器额定功率偏小 |
如图所示.物体M在水平导轨上平移时.带动滑动变阻器的滑片P移动,通过电压表显示的数据,可反映出物体移动距离的大小.下列说法正确的是( )
| A.物体M不动时,电流表、电压表都没有示数 |
| B.物体M不动时.电流表有示数,电压表没有示数 |
| C.物体M向右移动时.电流表、电压表示数都增大 |
| D.物休M向右移动时,电流表示数不变,电压表示数增大 |
如图所示的电路中,电源电压不变,闭合开关S,电路正常工作,一段时间后,发现其中一个电压表示数变大,则
| A.灯L1的灯丝可能烧断 | B.灯L1亮度可能不变 |
| C.灯L2的灯丝可能烧断 | D.灯L2可能被短路 |
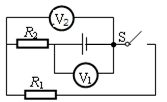
图所示的电路,开关S闭合后,两个电压表V1和V2的示数分别为6V和4V,由此可知电阻R1、R2两端的电压分别是 ![]()
| A.4V、2V | B.2V、4V |
| C.6V、4V | D.4V、6V |
教室里装有多盏电灯,上晚自习时,我们每多开一盏电灯时,则教室电路的 ( )
| A.总电阻增大 | B.总电阻减小 |
| C.总电压增大 | D.总电流不变 |
在一堂物理活动课上,同学们正以“假如失去……”为主题展开讨论.下列是由四位同学提出的具有代表性的观点,你认为错误的是
| A.假如失去了摩擦力,人将寸步难行 |
| B.假如导体都失去了电阻,那么所有的电热器都不能正常工作 |
| C.假如失去了重力,天平就不能再用来测量物体的质量 |
| D.假如失去了磁场,世界上就再不会有电的产生 |
如图6所示,R是磁敏电阻,它的阻值能随周围磁场的增强而增大,闭合开关S,当磁敏电阻R周围的磁场增强时,( )![]()
| A.电流表示数变小 | B.电压表示数变小 | C.灯L变亮 | D.电路总功率变大 |
如图所示的电路中,电源电压不变,当开关S2闭合S1断开时,电流表示数为0.3A,电压表示数为9V;若将两表互换位置,并同时闭合S1和S2,电流表示数为0.5A,则下列说法中错误的是( )![]()
| A.电压表示数仍为9V |
| B.R1的电阻为18欧 |
| C.R2的电阻45欧 |
| D.R2消耗的电功率6.75W |
如图所示的电路,电源电压恒定,R0为定值电阻,R为![]()
滑动变阻器。闭合开关S后,在滑动变阻器滑片P向左滑
动的过程中( )
| A.电流表A1的示数变小 | B.电流表A2的示数变大 |
| C.电压表V的示数变小 | D.电灯的亮度变暗 |