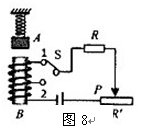
(7分)如右图所示,是某学习小组同学设计的研究“电磁铁磁性强弱”的实验电路图。![]()
⑴、要改变电磁铁线圈中的电流大小,可通过 来实现;要判断电磁铁的磁性强弱,可观察 .
来确定。在这里用到的物理研究方法是__法。
| 电磁铁(线圈) | 50匝 | 100匝 | ||||
| 实验次数 | 1 | 2 | 3 | 4 | 5 | 6 |
| 电流 / A | 0.8 | 1.2 | 1.5 | 0.8 | 1.2 | 1.5 |
| 吸引铁钉的个数 | 5 | 8 | 10 | 7 | 11 | 14 |
(2)、右表是该组同学所做实验的记录:
①.比较实验中的1、2、3(或4、5、6)可得出的结论是:。
②.比较实验中的1和4(或2和5或3和6) 。
⑶、在与同学们交流讨论时,另一组的一个同学提出一个问题:“当线圈中的电流和匝数一定时,电磁铁的磁性强弱会不会还与线圈内的铁芯大小有关?”
①.你对此猜想是: ;
②.现有大小不同的两根铁芯,利用本题电路说出你验证猜想的方法: 。