(9分) 25、一只开水煲的铭牌如图,内部由开关和电热丝组成.求:
(4分)如图所示电路中,电源电压为12V,R2=20Ω。当S1,S2合上时,电流表示数为0.8A,当S1,S2断开时,电流表示数为0.2A。求R1和R3的值。
.一个定值电阻,加在它两端的电压是6V时,通过它的电流是0.3A。如果电压增加到8V时,则通过的电流是多大?
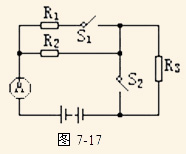
(4分)如图7-17所示电路中,电源电压为12V,R2=20Ω。当S1,S2合上时,电流表示数为0.8A,当S1,S2断开时,电流表示数为0.2A。求R1和R3的值。
.某同学连接的电路如图7—12所示,他所用的电源电压为12 V,电阻R2的阻值为40 Ω,闭合开关后,电流表的示数为0.5 A,请你帮他算出:图7—12(1)R1的阻值;(2)当他将开关S断开后,电流表的示数是多少?
小建同学连接的电路如图8—14所示,他所用的灯泡上标有“6 V 0.5 A”的字样.当他闭合开关时,灯泡正常发光,电流表的示数为0.6 A.请你计算:(1)通过灯泡中的电流; (2)电阻R的阻值; (3)电源的电压.图8—14
小忠同学连接的电路如图8—13所示,电源电压为12 V且保持不变,所用的电阻R2="40" Ω.当他将开关断开时,电流表的示数为0.4 A.当他将开关闭合时电流表的示数为多少? 图8—13
有一灯泡,把它接在36 V电路中,正常工作时通过的电流为0.5 A.今发现36 V线路有故障,需把它接在220 V的电路中使它正常工作,需串联一个多大的电阻?
.如图8—93所示的电路中,变阻器R0的滑片P在移动过程中,电压表的示数变化范围是0~4伏,电流表的示数范围是0.5安培~1安培,求电阻R的值?变阻器R0的最大阻值和电源电压U?
如图8—92所示的电路中,R1的电阻是24欧姆,R2的电阻是8欧姆,电源电压不变.(1)当开关S1、S2都闭合时,电压表的示数是12伏特,电流表的示数为0.8安培,求R3的阻值为多大?(2)当开关S1、S2都断开时,电流表示数多大?