如图所示的电路,合上开关后小灯泡正常发光,若将小灯泡和电流表的位置互换,则合上开关后的现象是
| A.电压表和电流表都没有示数 | B.小灯泡会烧坏 |
| C.小灯泡仍正常发光 | D.小灯泡不发光 |
在如图所示的电路中,电源电压保持不变,闭合开关,当滑动变阻器的滑片P向右移动时:( )![]()
| A. |
| B. |
| C. |
| D. |
有两个电阻,阻值分别为30和10Ω,把它们串联起来,其总电阻是( )
| A.40Ω | B.30Ω | C.20Ω | D.7.5Ω |
用图示的电路探究导体的导电性能,电路中电源电压保持不变,R是一只光敏电阻,当光照射强度增大时,其电阻值会减小.闭合开关,减弱对光敏电阻的照射强度,电流表和电压表示数的变化情况是 ( )![]()
| A.电流表示数增大,电压表示数减小 |
| B.电流表示数减小,电压表示数增大 |
| C.电流表、电压表示数均增大 |
| D.电流表、电压表示数均减小 |
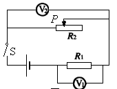
如图所示,电源电压保持不变,当电键S闭合滑动变阻器的滑片P向右滑动时,下列说法正确的是 ( )![]()
| A.V1示数增大,V2的示数增大 |
| B.V1示数减小,V2的示数增大 |
| C.V1示数减小,V2的示数减小 |
| D.V1示数增大,V2的示数减小 |
如图所示的电路中,小灯泡L恰能正常发光、若电源电压U保持不变,当开关S闭合时,则―――( ).![]()
| A.灯变亮,电流表读数变大 |
| B.灯变暗,电流表读数变小 |
| C.灯亮度不变,电流表读数变大 |
| D.灯亮度不变,电流表读数变小 |
如图所示的电路中,电源电压不变,开关闭合后,若滑动变阻器的滑片P向右端移动,则 ( ) ![]()
| A.电压表的示数和电流表的示数都增大 |
| B.电压表的示数和电流表的示数都减小 |
| C.电流表的示数减小,电压表的示数增大 |
| D.电流表的示数增大,电压表的示数减小 |
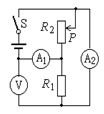
如图,电源电压保持不变时,闭合开关后,当滑动变阻器滑片P 向上滑动过程中,则 ( )![]()
| A.电压表V示数变大 | B.电压表V与电流表A2示数比值不变 |
| C.电流表A2示数变小 | D.变阻器接入电路部分消耗电功率变大 |
如图是酒精测试仪的原理图,R0为定值电阻。已知酒精气体传感器的电阻与酒精气体的浓度成反比,如果测试到的酒精气体浓度越大,你们认为正确的是:( )![]()
| A.传感器的电阻越大 | B.电路消耗总功率越小 |
| C.通过传感器的电流越小 | D.电压表的示数越大 |
通过导体a、b的电流随电压的变化情况如图所示,则导体a、b的电阻相比较( )![]()
| A.Ra>Rb |
| B.Ra=Rb |
| C.Ra<Rb |
| D.无法确定 |