如图所示的电路中,电源电压不变,R1为定值电阻,开关S闭合后,滑片向右移动时( )![]()
| A.电流表示数变大,电压表与电流表示数之比变大 |
| B.电流表示数变小,电压表与电流表示数之比不变 |
| C.电流表示数变大,电压表与电流表示数之比不变 |
| D.电压表示数变大,电压表与电流表示数之比变大 |
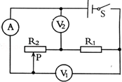
如图所示的电路图中,电源电压保持不变,闭合开关S后,将滑动变阻器R2的滑片P向左滑动,下列说法正确的是( )![]()
| A.电流表A的示数变小,电压表V1的示数变大 |
| B.电流表A的示数变小,电压表V1的示数不变 |
| C.电压表V1与电压表V2的示数之和不变 |
| D.电压表V2与电流表A的示数之比不变 |
在如图所示的电路中,电源电压保持不变,开关闭合后,滑动变阻器的滑片向右移动时,三个电表的示数变化情况是( )![]()
| A. A的示数变小,V1的示数不变,V2的示数变小 |
| B. A的示数变大,V1的示数变大,V2的示数变小 |
| C. A的示数变小,V1的示数不变,V2的示数变大 |
| D. A的示数变大,V1的示数变小,V2的示数变大 |
如图所示的电路中,电源电压恒定,R1为定值电阻.闭合开关S,滑动变阻器R2的滑片P由b端移到a端的过程中,下列说法正确的是( )![]()
| A.电压表和电流表的示数都变大 |
| B.电压表和电流表的示数都变小 |
| C.电压表的示数变大,电流表的示数变小 |
| D.电压表的示数变小,电流表的示数变大 |
如图所示的电路,电源电压恒定,当开关S闭合时( )![]()
| A. A示数变小,V示数变大 | B. A示数变大,V示数不变 |
| C. A示数不变,V示数变小 | D. A示数不变,V示数变大 |
如图所示的电路,开关s闭合后,滑动变阻器滑片P向右滑动的过程中,有关电流表、电压表的读数以及灯泡亮度的变化,下列说法中正确的是( )![]()
| A.电流表的读数变大,电压表的读数变小,灯泡变暗 |
| B.电流表的读数变小,电压表的读数变大,灯泡变亮 |
| C.电流表、电压表的读数都变小,灯泡变暗 |
| D.电流表、电压表的读教都变大,灯泡变亮 |
如图所示,电源两端电压保持不变,Ro为定值电阻。将滑片P置于中点,只闭合S1时,电压表的示数为U,电流表的示数为I。下列情况中电压表和电流表示数变化正确的是![]()
| A.滑片P不动,断开S1,闭合S2、S3时,电压表示数不变,电流表示数变小 |
| B.滑片P不动,断开S1,闭合S2、S3时,电压表示数变大,电流表示数变大 |
| C.只闭合S1,滑片P从中点向右移动时,电压表示数变大,电流表示数变小 |
| D.只闭合S1,滑片P从中点向右移动时,电压表示数不变,电流表示数变大 |
如图所示电路,电源电压不变.闭合开关后,当滑动变阻器的滑片P向右滑动时( )![]()
| A.两表的示数都减小 |
| B.两表的示数都不变 |
| C.电压表的示数不变,电流表的示数减小 |
| D.电压表的示数减小,电流表的示数增大 |
在图所示的电路中,电源电压保持不变。闭合电键S,当滑动变阻器的滑片P向右移动时,不变的是( )![]()
| A.电流表A示数与电流表A1示数的差值 |
| B.电压表V示数与电流表A 示数的比值 |
| C.电压表V示数与电流表A 示数的乘积 |
| D.电压表V示数与电流表A1示数的乘积 |