两只电阻组成串联电路,R1与R2两端电压之比是4:1,若将这两只电阻并联,其电流之比( )
| A.4:1 | B.3:1 | C.1:3 | D.1:4 |
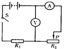
.如图6-56所示电路中电源电压不变,当S闭合,且滑片P 向左滑动时,![]()
各电表示数的变化情况是:( )
| A.A1表读数不变、A2表读数变小、V表读数变小 |
| B.A1表读数变大、A2表读数变大、V表读数不变 |
| C.A1表读数变小、A2表读数变大、V表读数变大 |
| D.A1表读数不变、A2表读数变大、V表读数不变 |
如图所示,电源电压保持不变,当开关S闭合,滑动变阻器滑片P向左滑动时:( )
| A.电流表读数变大,电压表读数变大。 | B.电流表读数变小,电压表读数变小。 |
| C.电流表读数变大,电压表读数变小。 | D.电流表读数变小,电压表读数变大。 |
如图所示电路中,电源电压U=4.5V不变,电阻R1=5Ω,变阻器R2最大阻值为20Ω,电流表量程为0~0.6A,电压表量程为0~3V,为保护电表,变阻器接入电路的阻值范围为: ( )
| A.2.5~10Ω | B.0~20Ω | C.2.5~20Ω | D.0~10Ω |
如图所示,当开关闭合后,发现小灯泡不亮,电流表无示数,用电压表测量发现Uab="6V," Ubc=0, Udc=0,其故障原因可能是:( )![]()
| A.开关接触不良,断路了 | B.电流表断路了 |
| C.小灯泡灯丝断了 | D.小灯泡被短路了 |
在如图所示的电路中电压U 不变,开关K闭合时,关于电表的示数,下列说法正确的是:( )![]()
| A.电流表的读数增大 | B.电流表的读数减小 |
| C.电压表的读数增大 | D.电压表的读数减小 |
关于对公式
的理解,下列说法中正确的是
| A.导体的电阻与加在导体两端的电压成正比 |
| B.导体的电阻与通过导体的电流成反比 |
| C.导体的电阻与加在导体两端的电压成正比,与通过导体的电流成反比 |
| D.导体的电阻与加在导体两端的电压、通过导体的电流都无关 |
、两只灯泡串联在电路中,其中一只灯亮,另一只不亮,原因可能是
| A.两只灯相比较,通过那只不亮的灯泡的电流小 |
| B.不亮的灯泡的灯丝断了 |
| C.两灯比较,亮的灯泡其电阻太大 |
| D.两灯比较,亮的灯泡其电阻太小 |
如图12—4所示,电源电压恒定, 当S接a时,电流表A1与A2的示数之比为
3:5;当S接b时,电流表A1与A2的示数之比为2:3,则R2与R3的电阻之比为( )![]()
图12—4
| A.9;10 | B.4;3 |
| C.3;4 | D.5:2 |
用两节五号电池、小灯泡、电流表、开关、导线连接一个电路,闭合开关后,灯泡发光,电流表有一定示数。能使电流表的示数增大的做法是
| A.将五号电池更换为一号电池 |
| B.将小灯泡更换为另一种规格 |
| C.将电流表更换为大量程的 |
| D.将连接电路的导线换用较粗一些的 |