关于生活中的一些电路连接,下列判断不正确的是( )
| A.节日的夜晚,装扮秦淮河畔小树的小彩灯是串联的 |
| B.道路两旁的路灯,晚上同时亮,早上同时灭,它们是串联的 |
| C.一般家庭的卫生间都要安装照明灯和换气扇,使用时互不影响,它们是并联的 |
| D.楼道中的电灯是由声控开关和光控开关共同控制的,只有在天暗并且有声音时才能亮,所以声控开关、光控开关及灯是串联的 |
如图所示的电路中,开关闭合后,三盏灯属于并联的是![]()
| A.图甲 | B.图乙 | C.图丙 | D.图丁 |
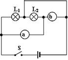
如图所示,L1和L2是两只相同的小灯泡,a、b是电流表或电压表。闭合开关S后,若两灯都能发光,则![]()
| A.a、b均是电流表 | B.a、b均是电压表 |
| C.a为电流表,b为电压表 | D.a为电压表,b为电流表 |
如图所示,将两只额定电压相同的灯泡L1、L2串联在电路中,闭合开关S后,发现灯泡L1较亮,灯泡L2较暗,此现象说明![]()
| A.灯泡L1的阻值大于灯泡L2的阻值 |
| B.灯泡L1的额定功率大于灯泡L2的额定功率 |
| C.灯泡L1两端的电压小于灯炮L2两端的电压 |
| D.通过灯泡L1的电流大于通过灯炮L2的电流 |
小琳同学用L1、L2两个小灯泡连成如图所示的电路,闭合开关S后,L1、L2两灯均正常发光,但灯L1亮度比灯L2亮度大,下列说法正确的是( )![]()
| A.灯L1的电阻小于灯L2的电阻 |
| B.灯L1的电流大于灯L2的电流 |
| C.灯L1的额定功率大于灯L2的额定功率 |
| D.如果将两灯并联在另一电源上,灯L1的亮度仍然会大于灯L2的亮度(灯不被烧坏) |
如下图所示电路中,甲、乙两处各接什么电表,当S闭合后,能使两灯均能发光:![]()
| A.甲接电压表,乙接电流表 | B.甲、乙均接电压表 |
| C.甲、乙均接电流表 | D.甲接电流表,乙接电压表 |
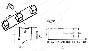
图甲是某生产流水线上 的产品输送及计数装置示意图。其中S为激光源,Rl为光敏电阻(有光照射时,阻值较小;无光照射时,阻值较大),R2为定值保护电阻,a、b间接“示波器”(示波器的接入对电路无影响)。水平传送带匀速前进,每当传送带上的产品通过S与Rl之间时,射向光敏电阻的光线会被产品挡住。若传送带上的产品为均匀正方体,示波器显示的电压随时间变化的关系如图乙所示。己知计数器电路中电源两极间的电压恒为6V,保护电阻的阻值为400Ω。则 ( )![]()
| A.每1 h通过S与Rl之间的产品个数为6000个 |
| B.有光照射和无光照射时保护电阻R2两端的电压之比为1:2 |
| C.有光照射和无光照射时光敏电阻的阻值之比为1:2 |
| D.有光照射时光敏电阻Rl的阻值为800Ω |