日常的生活经验告诉我们,家中的电灯、插座、彩色电视机、电冰箱等电气设备之间的连接方法是:
| A.一定是串联; | B.一定是并联 |
| C.可以串联, 也可以是并联; | D.电灯与插座应该串联, 彩电与电冰箱应该并联。 |
将灯L1、L2串联在电路中,灯L1较亮,灯L2较暗,原因是R1>R2,则通过这两盏灯的电流和灯两端的电压的关系,正确的是( )
| A.I1>I2 U1<U2 | B.I1<I2 U1=U2 | C.II=I2 U1>U2 | D.无法确定 |
关于教室里灯的连接,小明认为是并联的,下面说法支持他观点的是 ( )
| A.各个灯同时发光,同时熄灭 | B.各个灯发光的亮度相同 |
| C.各个灯都由同一个开光控制 | D.去掉其中任意一盏灯,其它灯仍能正常发光 |
下列情况中,属于串联的是 ( )
| A.教室里的各盏电灯 | B.马路上的各盏电灯 |
| C.手电筒中的干电池组 | D.家里的电脑和电冰箱 |
在物理学习的过程中,经常会用到一些科学研究方法。下列事例中运用相同科学研究方法的是 ( )
(1)用水流比作电流。 (2)探究导体中电流与电压的关系。
(3)探究物质质量与体积的关系。 (4)用总电阻替代两个串联的电阻。
| A.(1)与(3) | B.(2)与(4) |
| C.(2)与(3) | D.(1)与(4) |
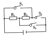
如图所示的电路中,下列说法正确的是( )![]()
| A.当S2断开,S1、S3闭合时,R1和R2并联 |
| B.当S2闭合,S1、S3断开时,R1和R2并联 |
| C.当S1断开,S2、S3闭合时,R1和R2串联 |
| D.当S1、S2、S3均闭合时,R1和R2串联 |