如下图所示的电路中,闭合开关后两盏灯都可能发光的是![]()
| A.只闭合开关S1 | B.只闭合开关S2 |
| C.只闭合开关S1、S2 | D.开关S1、S2、S3都闭合 |
如图所示的家庭照明电路,已知其中一只灯泡的灯头接线处存在故障.电工师傅为查明故障,在保险丝处接入一只“220V 40 W”的灯泡L0.当只闭合开关S、S1时,灯泡L0和L1都呈暗红色(比正常发光状态暗得多);当只闭合开关S、S2时,灯泡L0正常发光,L2不发光.由此可以确定 ( )![]()
| A.L1灯头接线处断路 |
| B.L1灯头接线处短路 |
| C.L2灯头接线处断路 |
| D.L2灯头接线处短路 |
如右图所示的电路中,电源电压不变,开关S闭合,灯L1、L2都正常发光,一段时间后,突然其中一灯熄灭,而电流表和电压表的示数都不变,出现这一现象的原因可能是
| A.灯L1短路 | B.灯L1断路 | C.灯L2断路 | D.灯L2短路 |
小明在使用手电筒时发现小灯泡不亮,他对造成该现象的直接原因进行了以下四种判断,其中不可能的是
| A.开关处出现短路 |
| B.小灯泡灯丝断了 |
| C.小灯泡接触不良 |
| D.电池两端电压过低 |
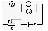
如图所示的电路中,闭合开关,灯泡L不发光,电流表无示数,电压表有示数。若电路中只有一处故障,则可能是![]()
| A.灯泡L短路 | B.灯泡L断路 |
| C.电阻R短路 | D.电阻R断路 |
在如图所示的电路中,闭合开关后,只有一盏灯亮,且电路中只有一处故障,故障只发生在灯上,则判断正确的是 ![]()
| A.若电压表、电流表均无示数,则Ll断路 |
| B.若电压表无示数,电流表有示数,则灯Ll短路 |
| C.若电压表、电流表均有示数,则灯L2断路 |
| D.若电压表有示数,电流表无示数,则L2短路 |
如图所示电路中,电源电压保持不变,由于灯泡L和电阻R可能出现了断路故障,闭合电键后,观察到两电表的示数均不发生变化。若在灯泡L两端并联一根导线,则下列判断正确的是![]()
| A.只有一个电表指针发生偏转 |
| B.两电表指针一定都发生偏转 |
| C.两电表指针可能都不发生偏转 |
| D.可能只有一个电表指针发生偏转,也可能两个电表指针都发生偏转 |