.物理兴趣小组的同学连接了图的电路;原先开关S1、S2是闭合的,现断开S2;那么下列现象中正确的是 ( )![]()
| A.电流表A3示数不变,A1示数增大,A2示数为零 |
| B.电流表A3示数不变,A1示数减小,A2示数增大 |
| C.电流表A3示数减小,A1示数不变,A2示数为零 |
| D.电流表A3示数减小,A1示数增大,A2示数为零 |
如图所示的电路中,正常发光的三盏灯突然全部熄灭,经检查保险丝完好,用试电笔插进插座的两孔,氖管均发光。造成这一现象的原因是![]()
| A.插座发生短路了 | B.进户的零线断了 |
| C.进户的火线断了 | D.某盏电灯的灯丝断了 |
关于电路的知识,下列说法中正确的是( )
| A.为使两灯同时亮,同时灭,两灯一定要串联 |
| B.金属中的电流方向跟自由电子定向移动的方向相反 |
| C.在电路中,电源是把其他形式的能转化为电能的装置 |
| D.一般的电路是由电源、用电器、开关和导线组成的 |
如图所示,若开关S闭合后,灯L1、L2均不亮,小华同学利用一电流表去查找电路故障,当她将电流表连接在灯L1两端时,电流表没有示数,将电流表接在灯L2两端时,电流表有示数,由此可以判断 ( )![]()
| A.灯L1短路 |
| B.灯L2短路 |
| C.灯L1断路 |
| D.灯L2断路 |
关于研究方法说法不正确是:( )
| A.比较法:研究镜面反射和漫反射的相同和不同 |
| B.模型法:研究光的传播路径引入光线 |
| C.转换法:为了讲清电流引用水流 |
| D.控制变量法:研究蒸发快慢的影响因素 |
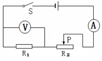
在如图所示的电路中,电源电压保持不变,当开关S闭合后,发现电路中只有一个电表的示数为零,接着无论怎样移动滑动变阻器R2的滑片P,两电表的示数均不发生变化,则![]()
| A.电阻R1断路 |
| B.电阻R1短路 |
| C.变阻器R2断路 |
| D.变阻器R2短路 |