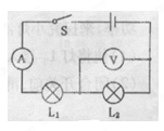
如右图所示电路,下列说法正确的是( )![]()
| A.只闭合S2和S3时,L1和L2并联,电流表测L1和L2的总电流 |
| B.只闭合S1和S2时,L2短路,电流表测通过L1的电流 |
| C.只闭合S1和S3时,L1和L2并联,电流表测通过L2的电流 |
| D.开关S1、S2、S3都闭合时,形成短路,电流表将烧坏 |
下列电路的状态中,哪一种电路状态最危险 ( )
| A.通路 | B.断路 | C.短路 | D.都一样 |
如图是某同学做实验时的电路图,闭合开关S后,发现 L1、L2均不亮,电流表示数为零,电压表示数等于电源电压,则该电路中的故障是( )![]()
| A.L1短路 | B.L2短路 | C.L1断路 | D.L2断路 |
如图所示,粗心的小明把电流表当作电压表接在了L1的两端。此时如果闭合开关,一定会发生:![]()
| A.电源短路 | B.电流表损坏 |
| C.L1不亮 | D.L2的灯丝烧断 |
如图所示,粗心的小明把电流表当作电压表接在了L1的两端。此时如果闭合开关,一定会发生:![]()
| A.电源短路 | B.电流表损坏 |
| C.L1不亮 | D.L2的灯丝烧断 |
下列关于电源和电流说法中不正确的是
| A.从能的转化角度说,电池是把化学能转化成电能的装置 | B.电荷运动就能形成电流 |
| C.电源外部,电流从正极经过用电器流向负极 | D.金属导电时,自由电子移动方向和电流方向相反 |
下列常用学习用品①透明塑料笔袋②金属刀片③塑料三角板④铅笔芯⑤橡皮擦等物品。上述五种物品中,属于绝缘体的有 ( )
| A.①③⑤ | B.②④⑤ | C.③④⑤ | D.①②④ |
下列各组材料中,都是导体的一组是:
| A.铜、陶瓷、大地 | B.油、橡胶、石墨 |
| C.铁、塑料、玻璃 | D.铝、人体、盐水 |
的彩灯,装点着节日的热闹与繁华.彩灯的内部结构如图所示,其额定电压约为6V.彩灯是采用串联的方法接入照明电路的,任一灯泡灯丝熔断后,其它灯泡仍继续发光.原因是彩灯的结构中有( )![]()
| A.特殊的灯丝 | B.金属杆引出线 |
| C.带绝缘层的金属丝 | D.灯泡内充有气体 |