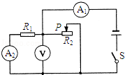
在如图所示电路中,当开关S1闭合时,为使电流表、电压表的示数都减小,下列操作正确的是( )
| A. | 断开开关S2,滑片P向左移动 |
| B. | 断开开关S2,滑片P向右移动 |
| C. | 保持滑片P位置不动,使开关S2由闭合到断开 |
| D. | 保持滑片P位置不动,使开关S2由断开到闭合 |
![]()
如图所示的电路中,电源电压保持不变,R2、R3是两个定值电阻.闭合开关S、滑片P向左滑动:当电流表示数变化量的绝对值为△I时,电压表示数变化量的绝对值为△U;当电流表示数变化量的绝对值为△I′时,电压表示数变化量的绝对值为△U′.若△I<△I′,则( )
| A. |
| B. |
|
| C. |
| D. | 以上三种情况都有可能 |
![]()
如图所示,闭合开关S后,当滑动变阻器的滑片P向上滑动时,各电表示数变化正确的是( )
| A. | 电流表和电压表的示数均变小 |
| B. | 电流表和电压表的示数均变大 |
| C. | 电流表示数变大、电压表的示数不变 |
| D. | 电流表示数变小、电压表的示数不变 |
![]()
如图所示,是探究“电流与电阻的关系”实验电路图,电源电压保持3V不变,滑动变阻器的规格是“10Ω1A”.实验中,先在a、b两点间接入5Ω的电阻,闭合开关S,移动滑动变阻器的滑片P,使电压表的示数为2V,读出并记录下此时电流表的示数.接着需要更换a、b间的电阻再进行两次实验,为了保证实验的进行,应选择下列的哪两个电阻( )
| A. | 10Ω,和40Ω | B. | 20Ω和30Ω | C. | 10Ω和20Ω | D. | 30Ω和40Ω |
![]()
如图所示,电源电压保持不变,L是标有“2V 1W”字样的灯泡,电流表A、A1的量程均为0~0.6A,将滑动变阻器滑片P滑至最右端,断开S1,闭合S2,电压表示数为6V,电流表A的示数为0.3A;闭合S1、S2,电流表A1的示数为0.1A.(假设灯丝电阻不变)则下列说法中正确的是( )
| A. | 滑动变阻器的最大阻值为20Ω |
| B. | R0的阻值为60Ω |
| C. | S1断开,S2由闭合到断开时,电压表的示数会变大 |
| D. | 断开S1、S2,为保证电路安全,滑动变阻器接入电路中的最小阻值为8Ω |
![]()