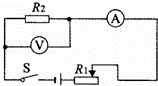
如图是“探究导体在磁场中运动时产生感应电流的条件”的实验装置,闭合开关后,铜棒AB、电流表、开关组成闭合电路.小明将实验中观察到的现象记录在下表中.

次数  开关   磁场方向 导体AB的运动方向  电流表指针的偏转方向

1  断开  上N下S  向右运动  不偏转

 2  断开  上N下S  向左运动   不偏转

 3  闭合  上N下S   向右运动  向左偏转

 4  闭合  上N下S  向左运动   向右偏转

 5  闭合  上N下S  向上运动   不偏转

 6  闭合  上S下N 向下运动   不偏转

 7  闭合  上S下N 向右运动   向右偏转

 8  闭合  上S下N 向左运动   向左偏转

(1)通过比较实验次数3和4(或7和8)可知:在磁场方向一定时,感应电流的方向与                                有关.

(2)通过比较实验次数3和7(或4和8)可知:在导体切割磁感线运动方向不变时,感应电流的方向与           有关.

(3)小明通过以上实验分析得出:闭合电路中的一部分导体在磁场里做           时,导体中就会产生感应电流.

(4)针对这个实验,小明作了进一步的探究,他提出了“感应电流的大小可能与磁场的强弱有关”的猜想,为了验证小明的猜想,请你帮他设计主要的实验步骤,并对实验结果进行分析判断.

在做“观察水的沸腾”的实验时,甲、乙、丙三个实验小组的同学分别从图中B两套实验装置中任选一套来完成实验.

(1)甲组同学从水温升高到90℃时开始记录数据,以后每隔1分钟记录一次水的温度,直到水沸腾5分钟为止,实验数据如下表所示.分析表中的数据可知,甲组同学选择的是           (A或B)套装置.

 时间min  0 1   2 3  4  5  6  7  8  9 10  11

 温度℃ 90  92  94  96  98  100  101  102  102  102  102  102

(2)乙、丙两组同学都选择了另外一套实验装置,这两组同学虽然选用的实验装置相同,但水开始沸腾的时刻不同,他们绘制的沸腾图象如图C所示,得到a、b两种不同图象的原因是:水的           不同.

(3)实验后,甲组的同学对大家提出了这样的疑问:如果不对水加热,能让水重新沸腾吗?老师马上将一杯停止沸腾的水放进能抽气的密闭玻璃罩中,如图D所示,接通抽气机电源,随着玻璃罩中空气的抽出,热水居然沸腾起来.通过分析,同学们知道了发生此现象的原因是:抽气机抽气时,玻璃罩内的气压           (选填“增大”、“减小”或“不变”),水的沸点           (选填“升高”、“降低”或“不变”),因此在不加热的情况下,水能重新沸腾.

 0  67831  67839  67845  67849  67855  67857  67861  67867  67869  67875  67881  67885  67887  67891  67897  67899  67905  67909  67911  67915  67917  67921  67923  67925  67926  67927  67929  67930  67931  67933  67935  67939  67941  67945  67947  67951  67957  67959  67965  67969  67971  67975  67981  67987  67989  67995  67999  68001  68007  68011  68017  68025  235360 

违法和不良信息举报电话:027-86699610 举报邮箱:58377363@163.com

精英家教网