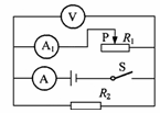
如图所示电路,电源电压保持不变。闭合电键S,当滑动变阻器的滑片P向右移动时,示数变化的电表有 (19) (选填 ),电压表 示数与电流表 示数的比值将 (20) (选填“变小”、“不变”或“变大”)。
如图所示,水平桌面上的甲、乙两圆柱形容器分别装有相同质量的酒精和水。酒精和水对甲、乙两容器底的压力和压强分别为F甲、F乙和P甲、P乙,则F甲(16)F乙,P甲 (17) P乙。若在两容器中放入完全相同的小球且处于漂浮状态,则两容器底受到液体压强的变化量△P甲(18)△P乙。(均选填“>”、“<”或 “=”)
在10秒内通过某导体横截面的电量为4库,电流做功为20焦,则通过该导体的电流为 (13)安,导体两端的电压为 (14) 伏。若导体两端的电压减小到 1伏,则导体的电阻为 (15) 欧。
“神九”在太空遨游时,太阳能电池板将太阳能转化为(10) 能。“蛟龙号”在深海中连续下潜过程中,受到海水的浮力的大小将 (11) 。2012年6月24日,飞行在太空的“神九”航天员与潜在海面下7000米处的“蛟龙号”潜水员利用 (12) 波进行了人类最远的“海天对话”。
小明用凉水冷却滚烫的鸡蛋,是在利用水 (7) 大的热学特性,此时鸡蛋内能是通过 (8) 的方式改变的。如果冷却用水的质量为l千克,温度上升了10℃,则水吸收的热量为 (9) 焦。〔c水=4.2×l03焦耳/(千克·℃) 〕
图7(a)所示是小峰同学跳远的示意图,其中小峰的重力势能最大的位置在(4) 点。小峰起跳后会向前冲是因为他具有 (5) 。小峰穿的跳鞋如图7(b)所示,鞋底的钉子是为了在压力不变时减小受力面积从而 (6) 。
我国家庭照明电路的电压为 (1) 伏,电灯与电视机之间是 (2) 联的(选填“串”或“并”),电路消耗的电能是用 (3) 来测量的。
如图6所示电路,闭合电键S,两只小灯不亮。小蒋查看了电源、电灯、电键和接线柱连接都没问题,估计是某导线断路了。小蒋将电表的正接线柱与电源的正极a相连,再将电表的负接线柱分别与其它接线柱相连。下列有关检测的推断正确的是[来源:
A 若电流表接在ad两端时,灯亮,则导线cd一定断路。
B 若电流表接在ae两端时,灯亮,则导线ab一定断路。
C 若电压表接在af两端时,示数为3V,则导线gh一定断路。
D 若电压表接在ag两端时,示数为0V,则导线gh一定断路。
在一条直线上的甲、乙两辆小车,同时同地同向开始做匀速直线运动,甲的速度小于乙的速度,运动5秒甲、乙间的距离大于3米。它们的s-t图像为图所示a、b、c三条图线中的两条。则
A 图线c可能是甲。 B 图线a一定是乙。
C 图线b一定是甲。 D 图线b可能是乙。
今年6月计划“神十”与“天宫一号”实现载人对接。下列可能在“天宫一号”上完成的实验是
A 用天平测物体的质量。 B 验证阿基米德原理。
C 用弹簧测力计测物体的重力。 D 探究二力平衡条件。