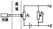
如图所示为雅娟同学设计的汽车模型推力检测装置,它主要是由推力接受器F和压力杠杆OCD、压力传感器D和测量电路组成,其中OC:OD=1:5,显示汽车推力的仪表是由量程为3V的电压表改装而成,D点所受压力与滑动变阻器AP段
电阻R的阻值变化关系如下表所示。若杠杆等推力检测装置的质量均忽略不计,滑动变阻器最大电阻R0为300Ω,电源输出电压恒为3.0V.
| 序号 | 1 | 2 | 3 | 4 | 5 | 6 | 7 |
| D点压力F/N | 0 | 5 | 10 | 15 | 20 | 25 | 30 |
| 电阻R/Ω | 300 | 250 | 200 | 150 | 100 | 50 | 0 |
| 电压表V/v | 0 | 1 | 2 | 3 |
| C点压力F/N |
|
|
|
|
(1)当滑动变阻器AP电阻R的阻值为120Ω时,汽车E通过F对C点的推力是多少牛顿?
(2)为了把电压表改装成检测C点推力大小的仪表,请你把电压表读数所对应C点的压力直接填入表中。
(3) 电压表改装成检测C
点推力大小的仪表,将电流刻度转换成对应的推力刻度示数后示数是否均匀?通过计算说明理由。
![]()
已知声音在空气中的传播速度与空气的温度有关,在一定的范围内,其关系如下表格所示:
⑴如果测得今天声音在空气的速度为338.2m/s,则今天的气温是__________℃.
空气温度t | 0 | 5 | 10 | 15 | 20 | 25 | …… |
声音速度v/m?s-1 | 331 | 334 | 337 | 340 | 343 | 346 | …… |
⑵有甲、乙两辆汽车,甲车在后,乙车在前,沿平直的公路上分别以20m/s和10m/s同向行驶,当相距660m时,甲车鸣笛,经过________s,乙车司机听到甲车的鸣笛声,乙车司机听到甲车的鸣笛声立即鸣笛,当甲车司机听到乙车的鸣笛声时,两车相距________m。若当时气温为15℃.
![]()