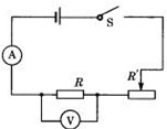
如图23甲所示,是王燕同学连接的测电阻Rx的电路。
(1)电路中有一根导线连接错了,请你在接错的导线上打一个叉,并画出正确的连线

(2)在方框中根据改正后的电路画出电路图。(2分)
(3)实验中测出了如下表所示的数据,其中第3次测量时电流表的表盘如图23乙所示,请你读出电流值填在表格中。电阻测量值Rx= Ω。(2分)
(1)电路中有一根导线连接错了,请你在接错的导线上打一个叉,并画出正确的连线
(2)在方框中根据改正后的电路画出电路图。(2分)
(3)实验中测出了如下表所示的数据,其中第3次测量时电流表的表盘如图23乙所示,请你读出电流值填在表格中。电阻测量值Rx= Ω。(2分)
| 次数 | 第1次 | 第2次 | 第3次 |
| 电压(V) | 2.5 | 3.0 | 3.5 |
| 电流(A) | 1.3 | 1.5 | |
下表是国产XQ30—B型全自动洗衣机的铭牌,表中主要技术参数计算时可选用
求:(1)这台洗衣机在额定电压下洗涤,通过洗衣机的电流是多少?
(2)若洗衣机的累积洗涤时间为30min,累积脱水的时间为10min,洗衣机共耗电多少千瓦时?
0 65600 65608 65614 65618 65624 65626 65630 65636 65638 65644 65650 65654 65656 65660 65666 65668 65674 65678 65680 65684 65686 65690 65692 65694 65695 65696 65698 65699 65700 65702 65704 65708 65710 65714 65716 65720 65726 65728 65734 65738 65740 65744 65750 65756 65758 65764 65768 65770 65776 65780 65786 65794 235360
| 额定电压 220V | 电源频率 50Hz |
| 额定洗涤功率 600W | 额定洗涤容量 5kg |
| 额定脱水功率 300W | 额定脱水容量 3kg |
| 最大工作电流 5A | 整机质量 33kg |
(2)若洗衣机的累积洗涤时间为30min,累积脱水的时间为10min,洗衣机共耗电多少千瓦时?