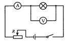
如右图所示是小红测定小灯泡电阻的电路图,当闭合开关S时,发现灯L不亮,电流表、电压表均无示数。若电路故障只出现在灯L和变阻器R中的一处,则下列判断正确的是
| A.灯L短路 | B.灯L断路 |
| C.变阻器R短路 | D.变阻器R断路 |
如图所示电路,电源电压保持不变。当开关S闭合后,电路中电压表V1的示数为4V,电压表V2的示数为6V,电流表的示数为1A,且当电阻R2与R3对换位置后,电压表V1、电压表V2、电流表A三表的示数均不发生改变,则
0 64595 64603 64609 64613 64619 64621 64625 64631 64633 64639 64645 64649 64651 64655 64661 64663 64669 64673 64675 64679 64681 64685 64687 64689 64690 64691 64693 64694 64695 64697 64699 64703 64705 64709 64711 64715 64721 64723 64729 64733 64735 64739 64745 64751 64753 64759 64763 64765 64771 64775 64781 64789 235360
| A.通过三个电阻R1、R2、R3的 | B.电阻R1=1Ω |
| C.电源电压为10V | D.电阻R3两端的电压U3=4V |