几盏灯接入同一电路,其中一盏灯的灯丝断了不亮,其余几盏灯仍正常发光,则:
| A.坏的灯与其余的灯一定是并联的 | B.其余的灯一定是串联的 |
| C.坏的灯与其余的灯一定是串联的 | D.其余的灯一定是并联的 |
关于温度、热量和内能,下列说法中正确的是:
| A.物体的温度越高,所含的热量越多 | B.温度高的物体,内能不一定大 |
| C.0OC的冰块,内能一定为零 | D.任何两物体间都会发生热传递 |
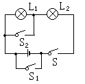
如右图所示的电路中,下列说法中正确的是:
| A.S闭合后,L1、L2并联且都能发光 |
| B.S 闭合后,电路将发生短路 |
| C.要使L1、L2串联,可去掉导线 a |
| D.若将导线M从接线柱B改接到接线柱A上,电路发生短路 |
甲、乙两物体的比热容之比是3:1,当它们吸收相同的热量后,升高的温度之比是2:3,
若乙的质量是50g,则甲的质量是:
0 64585 64593 64599 64603 64609 64611 64615 64621 64623 64629 64635 64639 64641 64645 64651 64653 64659 64663 64665 64669 64671 64675 64677 64679 64680 64681 64683 64684 64685 64687 64689 64693 64695 64699 64701 64705 64711 64713 64719 64723 64725 64729 64735 64741 64743 64749 64753 64755 64761 64765 64771 64779 235360
若乙的质量是50g,则甲的质量是:
| A.25g | B.50g | C.100g | D.150g |