把两只灯泡并联后接到电源上,闭合开关,发现灯泡L1比L2亮,则下列说法正确的是( )
| A.通过L1的电流小 | B.通过L2的电流大 |
| C.L1两端的电压比L2大 | D.L2两端的电压和L1一样大 |
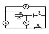
如图所示电路中,电源电压保持不变,闭合开关S后,将滑动变阻器R2的滑片P向右移动,在此过程中 ( )
| A.电流表A示数变大,电压表V2示数变小 |
| B.电流表A示数变大,电压表V1示数变小 |
| C.电压表V1示数变小,电压表V2示数变大 |
| D.电压表V1示数不变,电压表V2示数变大 |
右图中是一个两面光滑的斜面,∠β大于∠α,同一个物体分别在AC和BC斜面受拉力匀速运动到C点,所需拉力分别为FA、FB,所做功分别为WA、WB,则:( )
| A.FA=FB,WA=WB | B.FA<FB,WA=WB | C.FA<FB,WA<WB | D.FA>FB,WA>WB |
2011年3月11日,日本发生里氏9.0级地震所引起的大规模海啸,冲毁了建筑,卷走了村落,造成了大量人员伤亡。海啸具有极大破坏力的主要原因是海啸行成的海浪具有巨大的( )
| A.电能 | B.核能 | C.机械能 | D.内能 |
用一个机械效率为70%的滑轮组,将重为2240N的重物提起,所用的拉力为800N,则滑轮组至少由( )组成
| A.1个定滑轮和1个动滑轮。 | B.2个定滑轮和2个动滑轮 |
| C.1个定滑轮和2个动滑轮。 | D.2个定滑轮和1个动滑轮。 |
某实验小组测一滑轮组机械效率的数据如下表:
(1)请你在图中画出本实验的绕绳方法。

(2)用同一滑轮组提升不同重物至同一高度:克服动滑轮的重所做
的额外功 (填“相同”或“不同”);提升的物重增加时,
克服摩擦和绳重所做的额外功 (填“不变”、“变大”或“变小”)
滑轮组的机械效率变 。
(3)多次改变提升的物重测量滑轮组的机械效率,目的是为了 。
(填字母)
A.减小摩擦
B.多次测量取平均值减小误差
C.获得多组数据归纳出物理规律
(4)由本实验 (填“能”或“不能”)推断:任何机械的机械效率
跟物重均有关
| 实验次数 | 动滑轮 重G动/N | 钩码重 G物/N | 钩码上升 高度h物/m | 直接将钩码 举高做的功 W有用/J | 动力F动/N | 动力作用点移动距离 S动/m | 使用滑轮组动力做的功 W总/J | 滑轮组的机械效率 η |
| 1 | 0.53 | 1 | 0.1 | 0.1 | 0.7 | 0.3 | 0.21 | 47.6% |
| 2 | 2 | 0.1 | 0.2 | 1.1 | 0.3 | 0.33 | 60.6% | |
| 3 | 4 | 0.1 | 0.4 | 2 | 0.3 | 0.6 | 66.6% |
(2)用同一滑轮组提升不同重物至同一高度:克服动滑轮的重所做
的额外功 (填“相同”或“不同”);提升的物重增加时,
克服摩擦和绳重所做的额外功 (填“不变”、“变大”或“变小”)
滑轮组的机械效率变 。
(3)多次改变提升的物重测量滑轮组的机械效率,目的是为了 。
(填字母)
A.减小摩擦
B.多次测量取平均值减小误差
C.获得多组数据归纳出物理规律
(4)由本实验 (填“能”或“不能”)推断:任何机械的机械效率
跟物重均有关
一个100 cm3的铜球(铜的密度为8.9×103 k
g/m3),用天平测出它的质量为100 g,那么这个铜球的内部
| A.一定是实心的 | B.一定是空心的 | C.一定装满了水 | D.一定是装有其它金属 |
下列所给出的各种现象中,物体运动状态不发生变化的是
0 64462 64470 64476 64480 64486 64488 64492 64498 64500 64506 64512 64516 64518 64522 64528 64530 64536 64540 64542 64546 64548 64552 64554 64556 64557 64558 64560 64561 64562 64564 64566 64570 64572 64576 64578 64582 64588 64590 64596 64600 64602 64606 64612 64618 64620 64626 64630 64632 64638 64642 64648 64656 235360
| A.在弯曲的路上汽车匀速转弯 | B.小孩沿笔直的滑梯匀速下滑 |
| C.熟透的苹果从树上落下 | D.行驶的火车开始进站 |