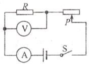
小轩用伏安法测量电阻R的阻值:
(1)用笔画线代替导线,把图中的实物图连成实验电路。要求,滑动变阻器滑片P向左移动时,电流变大。
![]()
(2)根据实物电路在虚线框内画出实验电路图。
(3)现已列出三次测量的实验数据及部分计算结果,还差第二次实验时的阻值没有计算,计算出第二次实验时的阻值并将计算结果填入表中。
(4)在图所示的电流表和电压表的表盘上分别画出第二次实验数据的表针的位置,并画出接线以表明测量时使用的量程。
![]()
| 实验次数 | U/V | I/A | R/ |
| 1 | 2.2 | 0.18 | 12.2 |
| 2 | 2.5 | 0.2 |
|
| 3 | 3 | 0.24 | 12.5 |
(5)计算出电阻R的平均值R=__________
。
(6)计算出电阻R在第二次实验时消耗的实际功率P=__________W。
(7)小林发现另一个同学实验时,电路连接正确,电压表的示数为3V,但是反复移动滑动变阻器的滑片P,电压表的示数总是不表。由此可见,发生故障的原因可能是滑动变阻器_________或电阻R__________(均选填“短路”或“断路”)。
在物理课外小组的活动中,小刚同学利用如图所示电路测滑动变阻器R的电功率,已知
为定值电阻,电路A、B之间的电压为
且保持不变,调节滑动变阻器的滑片P,记录电压表和电流表的示数U、I,并得到实验数据如下表:
![]()
| U/V | 4.5 | 4.0 | 3.5 | 3.0 | 2.5 | 2.0 | 1.5 | 1.0 |
| I/A | 0.15 | 0.2 | 0.25 | 0.3 | 0.35 | 0.4 | 0.45 | 0.5 |
| P/W | 0.68 | 0.8 | 0.88 | 0.9 | 0.88 | 0.8 | 0.68 | 0.5 |
(1)由上表可看出滑动变阻器功率的大小变化情况是__________。
(2)由上表可知A、B之间的电压为__________V,电阻
__________
。
(3)由上表可得出电流I随U变化的关系式为:I=__________。