搜索
在图所示的电路中,电源电压保持不变,闭合开关S
1
、S
2
,两灯都发光,当把开关S
2
断开时,灯泡L
1
的亮度及电流表示数变化的情况是
[ ]
A.L
1
亮度不变,电流表示数变小
B.L
1
亮度不变,电流表示数不变
C.L
1
变亮,电流表示数不变
D.L
1
变亮,电流表示数变小
图是直流电动机提升重物的示意图,电源电压为110V且保持不变,电路中的电流是5A,质量为50kg的重物在电动机带动下以0.9 m/s的速度匀速上升,不计各处摩擦,则电动机线圈的电阻是(g取10N/kg)
[ ]
A.2Ω
B.4Ω
C.10Ω
D.22Ω
图中甲和乙所示是利用热敏电阻来测量温度的原理图,电源电压均为20V且保持不变,定值电阻R
0
的阻值为30Ω则:
(1)图甲中电流表的示数为0.3A时,热敏电阻两端的电压和消耗的功率分别是多少?
(2)图乙中电压表的量程为0~15V,热敏电阻R的阻值随温度的变化关系如图丙所示,试求此电路能测量的最高温度,
从今年4月1日起,公路收费站对过往车辆实施按计重收费.某同学设计了如图所示的计重原理图,以下有关说法错误的是
[ ]
A.计重表实质是一个电流表
B.当压力增大时,计重表的示数减小
C.如果压力改变,计重表的示数不变,可能是R短路引起的
D.电路中R
0
的作用是为了保护计重表不被烧坏
如图所示是模拟火灾监测电路.R
0
为定值电阻,R'为半导体材料制成的热敏电阻,其阻值随温度的升高而减小.电路中电源电压不变.闭合开关,用酒精灯给R'加热,则电流表和电压表的示数变化情况是
[ ]
A.电流表示数减小,电压表示数增大
B.电流表、电压表示数均减小
C.电流表、电压表示数均增大
D.电流表示数增大,电压表示数减小
如图所示是小林同学测量小灯泡电阻时连接的实验电路,选用的小灯泡上标有2.5V字样.
(1)闭合开关前,发现电路中有两个元件连接错误,请指出这两个错误:一是_______;二是________ .
(2)实验时,先将电压表的示数调到2.5V,读出电流表的示数,由__________算出灯泡正常发光时的电阻,再逐渐降低电压,又测两次算出电阻值.这样做的目的是______________.
(3)若将上面实验中的小灯泡换成定值电阻R,要求测三次算出阻值.这样做的目的是________________.
如图是一种自动测定油箱内油面高度的装置,R'是电阻,R是滑动变阻器,它的金属片是杠杆的一端,从油量表(即电流表)指针所指的刻度就可以知道油箱内油面的高度,它的工作过程是
[ ]
A.油面高,油量表示数较小
B.油面高,电路中的电阻变大
C.油面低,油量表示数较小
D.油面低,电路中的电阻变小
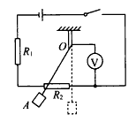
如图所示是红星中学九年级物 理课外实践活动小组设计的风力测量仪的电路示意图,其电源电压U=3V,电路保护电阻R
1
= 2Ω,均匀电阻丝的阻值为R
2
= 3Ω.金属丝(电阻忽略不计)的上端固定在O点.下端系有一块塑料片A,当风从右向左吹动塑料片时,金属丝向左摆动并与电阻丝保持 良好的接触.风力表由电压表改装而成
(1)无风时,塑料片竖直下垂,电压表示数是多少?电路中的电流是多少?
(2)风力最强时,金属丝滑至电阻丝的最左端,电压表的示数是多少?
(3)为什么不在电路中串联电流表,把电流表改装成风力表?
为锻炼身体,小刚利用所学物理知识设计了一个电子拉力计,如图甲是其原理图.硬质弹簧上端和金属滑片P 固定在一起(弹簧的电阻不计,P与R接触良好且摩擦不计).定值电阻R
0
=5Ω,R是一根长为5cm的均匀电阻线 (阻值跟长度成正比),其最大阻值为25Ω,电源电压为3V, 电压表的量程为0~3V,当不拉拉环时,金属滑片P刚好处 于b端,已知该弹簧伸长的长度AL与所受拉力F间的关系 如图乙所示.求:
(1)小刚要把电压表的表盘改为拉力计的表盘,当不拉拉环 时,拉力计表盘上的零刻度线应标在电压表表盘的多少伏处?
(2)闭合开关,当电压表的指针指在1.5 V时,电阻线接入电路中的电阻值为多少欧?此时,作用在拉环上竖直向上的拉力为多少牛?
计算机鼠标内装有起自动控制作用的传感器,图是它的工作原理示意图.当物体M在导轨上平行移动时,可带动与之相连的金属滑片P移动,通过电压表示数可反映 物体M移动的距离,当物体M向右移动时,电流表示数将_________,电压表示数将__________.(填“变大” “不变”或“变小”)
0
25899
25907
25913
25917
25923
25925
25929
25935
25937
25943
25949
25953
25955
25959
25965
25967
25973
25977
25979
25983
25985
25989
25991
25993
25994
25995
25997
25998
25999
26001
26003
26007
26009
26013
26015
26019
26025
26027
26033
26037
26039
26043
26049
26055
26057
26063
26067
26069
26075
26079
26085
26093
235360
关 闭
试题分类
高中
数学
英语
物理
化学
生物
地理
初中
数学
英语
物理
化学
生物
地理
小学
数学
英语
其他
阅读理解答案
已回答习题
未回答习题
题目汇总
试卷汇总
练习册解析答案