标有“2V  1W”的小灯泡和标有“20Ω 1A”的滑动变阻器,连接在如图所示的电路中,电源电压为6V,小灯泡正常发光时,滑动变阻器接入电路的电阻是:
[     ]
A.2Ω
B.4Ω
C.8Ω
D.20Ω

爱思考的林刚利用图所示的电路进行实验,当闭合开关S后,发现标有“6V 3W”的灯L1和标有“12V 3W”的灯L2亮度并不相同。已知电源电压为6V,不考虑灯丝电阻值随温度的变化.求:
(1)电路中灯L1和L2哪个正常发光?
(2)通过灯泡L2的电流为多大?
(3)灯泡L2的实际功率是多大?

如图所示电路中,电源电压恒定不变,电流表的量程为0~3A,R2=12 Ω,当开关闭后,滑片位于变阻器的中点时,电流表的示数为1.5A;当滑片位于变阻器的右端时,电流表的示数为1A.试求:
(1)滑动变阻器R1的最大电阻值;
(2)电源电压;
(3)允许滑动变阻器R1接入电路的最小电阻值.
在如图所示的电路中,电源电压保持不变.电路中滑动变阻器上标有“20 Ω 2A”字样,电流表的量程为0~0.6A,电压表的量程为0~3V,电阻R1的阻值为4 Ω.当滑片在滑动变阻器的最右端a点时,闭合电键,电压表的示数为1.5V,求:
(1)通过电阻R1的电流.
(2)电源电压.
(3)为了保证电路能正常工作及各电表不致损坏,滑动变阻器的取值范围.
在图中所示的电路中,电源电压为18伏且不变,滑动变阻器R2上标有“10 Ω  2A”字样.闭合电键S,电流表A的示数为1.2安,电压表V的示数为6伏.求:
(1)10秒内,电流通过滑动变阻器R2所做的功W2
(2)电阻R1的阻值.
(3)现有三个滑动变阻器,分别为“5Ω  3A”、“20 Ω  2A”和“50 Ω  2A”,请从中选择一个来替换变阻器R2,要求:闭合电键后,在移动变阻器滑片P的过程中,两电表的示数分别能达到某个量程的最大值,且电路能正常工作.
①应选择的滑动变阻器为 _________
②满足上述要求时,该滑动变阻器连入电路的阻值范围.
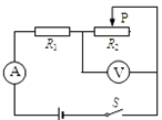
如图所示,电源电压和灯丝电阻均不变,滑动变阻器RW滑片P由某点A滑至某点B时,其电阻改变了10 Ω,移动前后V2的示数之比为2:3,滑片P位于B时,V1与V2示数之比为1:3.求电阻RL的值.
 0  25879  25887  25893  25897  25903  25905  25909  25915  25917  25923  25929  25933  25935  25939  25945  25947  25953  25957  25959  25963  25965  25969  25971  25973  25974  25975  25977  25978  25979  25981  25983  25987  25989  25993  25995  25999  26005  26007  26013  26017  26019  26023  26029  26035  26037  26043  26047  26049  26055  26059  26065  26073  235360