阅读以下短文和材料
未来是电动汽车的时代
        中国工程院士陈清泉 我一直认为,电动车一定会代替汽油车,有两个理由:一、是能源问题;二、是污染问题.最多再过60年,我们现在所用的石油资源将枯竭,到那时候汽油车怎么办?还有就是众所周知的传统汽油车对大气造成的污染相当严重,尾气排放造成的空气污染目前已经占到整个污染源的一半以上,电动汽车应该可以解决这个问题,因为电动汽车基本上不以汽油为直接燃料,能源利用率高,环境污染低.
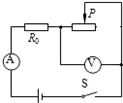
        资料:目前研究开发中的电动车有两类具有实际应用前景,一是太阳能电动车,二是立足于氢能基础上的燃料电池汽车,前者将太阳能转化为电能,能源无限且无污染,后者以氢为燃料,通过化学反应产生电流并排出水,能实现可循环利用和零排放. 如图所示是一辆设计中的太阳能汽车动力部分的电路简图,设阳光辐射到车上太阳能电池的光能接收板上功率为1.0×104W.行驶时,可通过改变滑动变阻器的电阻来调节电动机转速从而改变汽车行驶速度,当滑动变阻器滑片在最左端时,汽车的行驶速度最大,此时电压表示数为180V,电流表示数为15A.
(1)汽油车会被电动车代替的原因是:
①、 _________
②、 _________
(2)汽车以最大车速度行驶时电动机消耗的电功率是多大?
(3)当滑片向右移至某一位置时,汽车的行驶速度小于最大速度.此时电压表示数为150V,电流表示数为10A,则此时滑动变阻器接入电路的电阻大小是多少?电动机消耗的功率与滑动变阻器消耗的功率之比是多少?
 0  25827  25835  25841  25845  25851  25853  25857  25863  25865  25871  25877  25881  25883  25887  25893  25895  25901  25905  25907  25911  25913  25917  25919  25921  25922  25923  25925  25926  25927  25929  25931  25935  25937  25941  25943  25947  25953  25955  25961  25965  25967  25971  25977  25983  25985  25991  25995  25997  26003  26007  26013  26021  235360 

违法和不良信息举报电话:027-86699610 举报邮箱:58377363@163.com

精英家教网