搜索
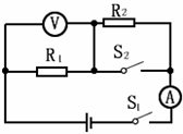
在如图所示的电路中,已知R
1
=3欧,电源电压保持6伏不变,求:
(1)S
1
、S
3
断开,S
2
闭合时,电流表的示数为0.5安,则R
1
两端的电压是多少伏?R
2
的电阻是多大?
(2)当S
2
断开,S
1
和S
3
闭合时,电流表的示数是多少?
(3)如果开关S
1
、S
2
和S
3
同时闭合,电路中将会出现什么情况?
如图所示,电阻R
1
和R
2
串联在电路中,现在要计算出R
2
的阻值,图中所标出的物理量中至少需要知道哪几个量?如何计算?参考表中的示例填写表格(写出两种计算方法)。
需要知道的物理量
计算过程
例如
U
2
和I
R2=
1
2
现有一只工作电压是2.2V,工作电流是0.2A的小灯泡.要使它能正常工作,必须
_________
联一个阻值是
_________
Ω的电阻,才能接在电压为6V的电池组两端。
如图甲所示,闭合开关S后,两相同电压表的指针偏转都如图乙所示,则L
1
和L
2
两灯的电阻之比为
[ ]
A.1:4
B.4:1
C.1:5
D.5:1
如图所示,电源电压保持不变,R
1
的阻值是R
2
的4倍,闭合开关S后,通过R
1
的电流为I
1
,通过R
2
的电流为I
2
,电路总电流为I.则下列关系正确的是
[ ]
A.I
1
:I
2
=4:1
B.I
1
:I=1:5
C.I:I
2
=5:1
D.I
1
:I=4:5
在如图所示的电路中,闭合开关S,滑动变阻器的滑片向右滑动的过程中,下列说法正确的是
[ ]
A.电流表的示数变小,电压表的示数变小
B.电流表的示数变小,电压表的示数变大
C.电流表的示数不变,电压表的示数变小
D.电流表的示数变大,电压表的示数变大
如图所示,设计了四个测量邮箱中油量多少的电路.R是定值电阻,R'为滑动变阻器,滑片P只能在a、b两点间滑动.其中不能通过电表示数变化测油量多少的电路是
[ ]
A.
B.
C.
D.
如图所示的电路中,电源电压为3V.闭合开关,滑动变阻器R
1
的滑片P向右移动的过程中,电压表的示数
(选填“变大”或“变小”).当滑动变阻器R
1
的滑片P移到某一位置时,电压表的示数为0.6V,电流表的示数为0.2A,则R
2
的阻值为
Ω.
一导体接入5V的电路中,通过导体的电流为0.25A,这个导体的电阻为
_______
Ω;现把它接在10V的电路中,这个导体的电阻是
_______
Ω,此时通过它的电流是
_______
A.
如图所示,电源电压保持不变,闭合开关S
1
、S
2
,电压表示数为6V,电流表示数为0.6A,断开S
2
后,电压表示数变为2V,求R
2
的电阻和电源电压分别是多少?
0
25819
25827
25833
25837
25843
25845
25849
25855
25857
25863
25869
25873
25875
25879
25885
25887
25893
25897
25899
25903
25905
25909
25911
25913
25914
25915
25917
25918
25919
25921
25923
25927
25929
25933
25935
25939
25945
25947
25953
25957
25959
25963
25969
25975
25977
25983
25987
25989
25995
25999
26005
26013
235360
关 闭
试题分类
高中
数学
英语
物理
化学
生物
地理
初中
数学
英语
物理
化学
生物
地理
小学
数学
英语
其他
阅读理解答案
已回答习题
未回答习题
题目汇总
试卷汇总
练习册解析答案